EasyManua.ls Logo

BrainBee multigas 8500 - Page 54

BrainBee multigas 8500
78 pages
Print Icon
To Next Page IconTo Next Page
To Next Page IconTo Next Page
To Previous Page IconTo Previous Page
To Previous Page IconTo Previous Page
Loading...
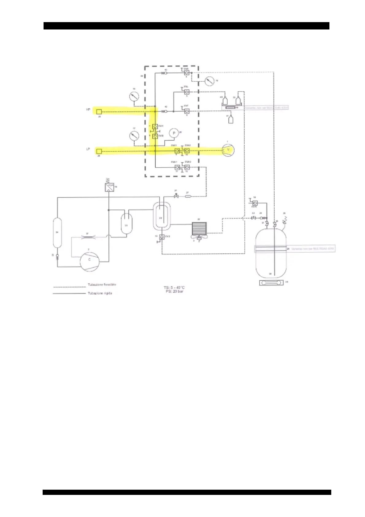
ENGLISH 54 / 78 CAP. 11 - REFRIGERANT FLUID CIRCUIT
MULTIGAS 85
00
VACUUM

Table of Contents

Related product manuals