EasyManua.ls Logo

Branson B Series - Page 107

Branson B Series
210 pages
Print Icon
To Next Page IconTo Next Page
To Next Page IconTo Next Page
To Previous Page IconTo Previous Page
To Previous Page IconTo Previous Page
Loading...
B Series Degreaser Schematics
Rev G Page 114
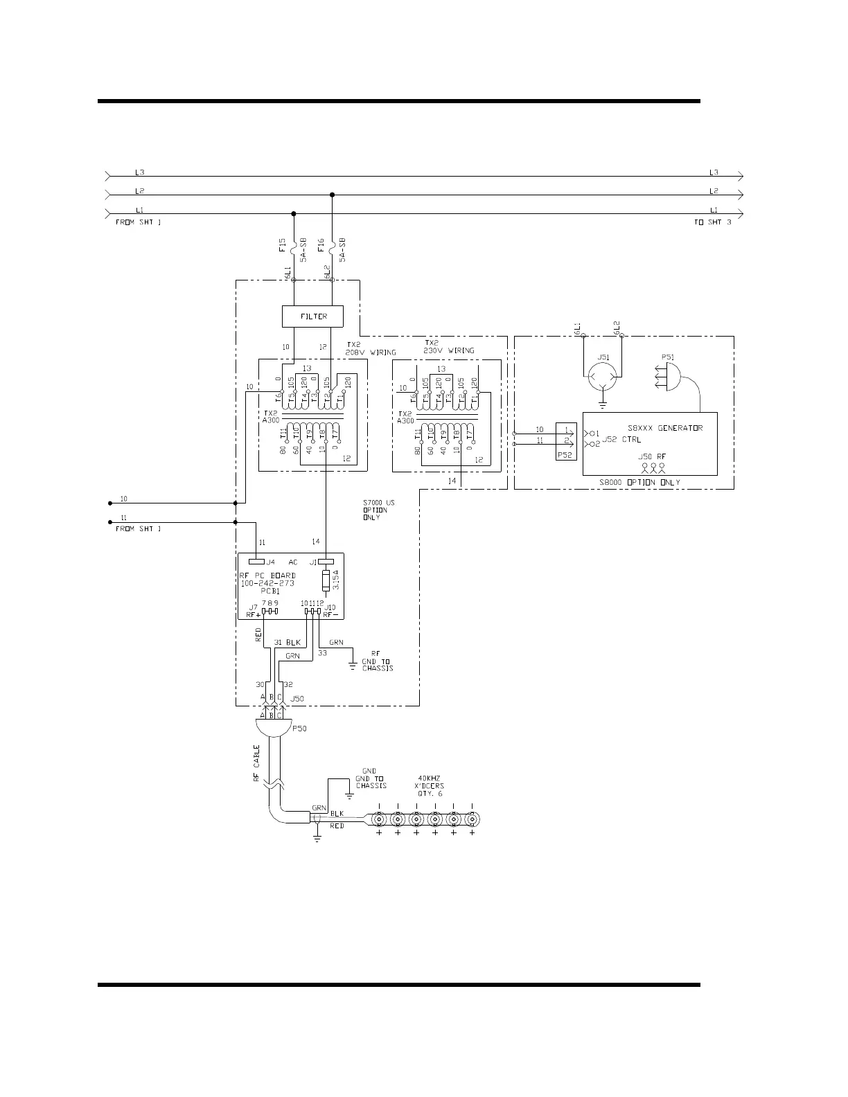
Figure 6-2 B452 Ultrasonics

Related product manuals