EasyManua.ls Logo

Branson B Series - Page 108

Branson B Series
210 pages
Print Icon
To Next Page IconTo Next Page
To Next Page IconTo Next Page
To Previous Page IconTo Previous Page
To Previous Page IconTo Previous Page
Loading...
B Series Degreaser Schematics
Rev G Page 115
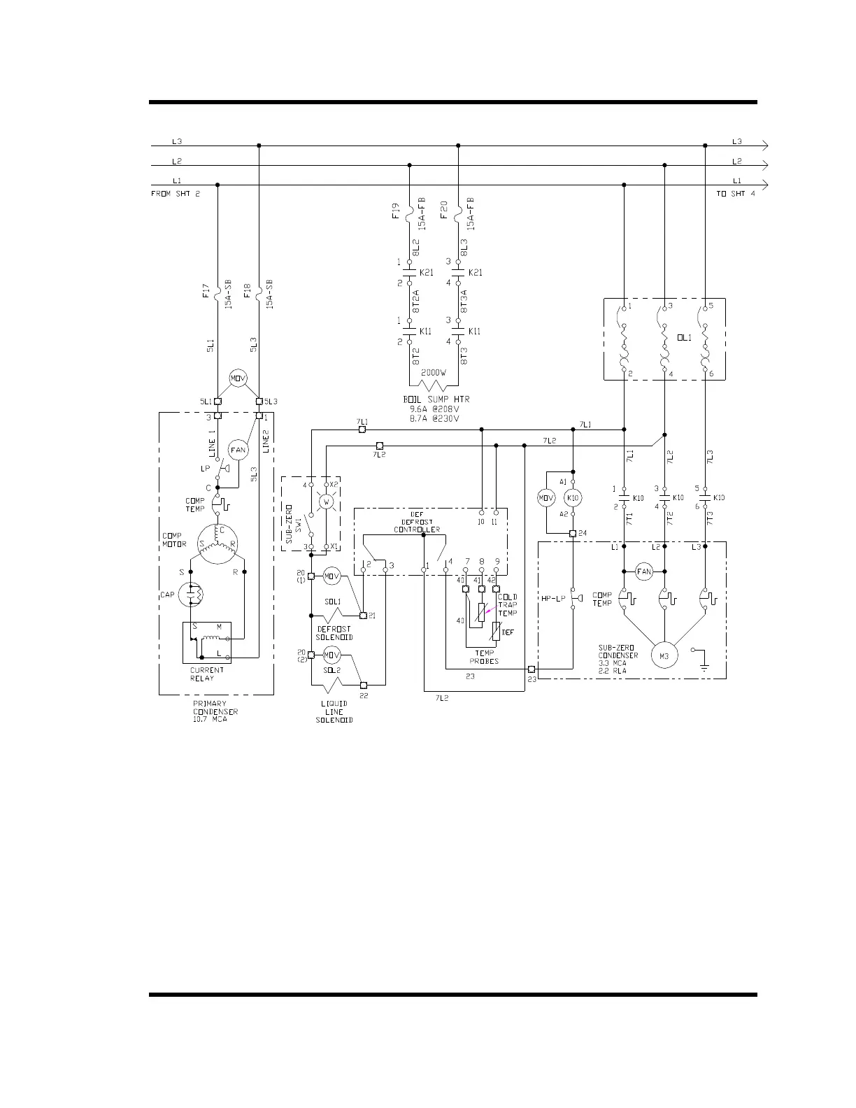
Figure 6-3 B452 Refrigeration

Related product manuals