EasyManua.ls Logo

Branson B Series - Page 109

Branson B Series
210 pages
Print Icon
To Next Page IconTo Next Page
To Next Page IconTo Next Page
To Previous Page IconTo Previous Page
To Previous Page IconTo Previous Page
Loading...
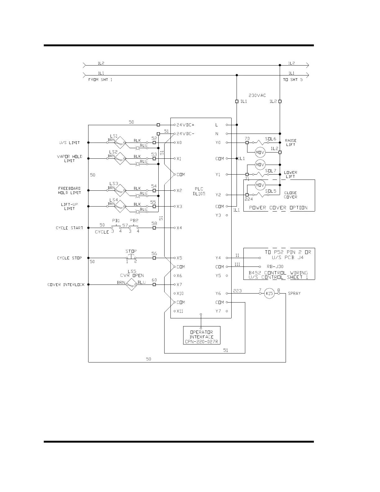
B Series Degreaser Schematics
Rev G Page 116
Figure 6-4 B452 Vertical Lift

Related product manuals