EasyManua.ls Logo

Bridgestone 90 - Rotary Valve Modification; Sport, 90 & 90 Sport

Default Icon
92 pages
Print Icon
To Next Page IconTo Next Page
To Next Page IconTo Next Page
To Previous Page IconTo Previous Page
To Previous Page IconTo Previous Page
Loading...
www.ClassicCycles.org
28
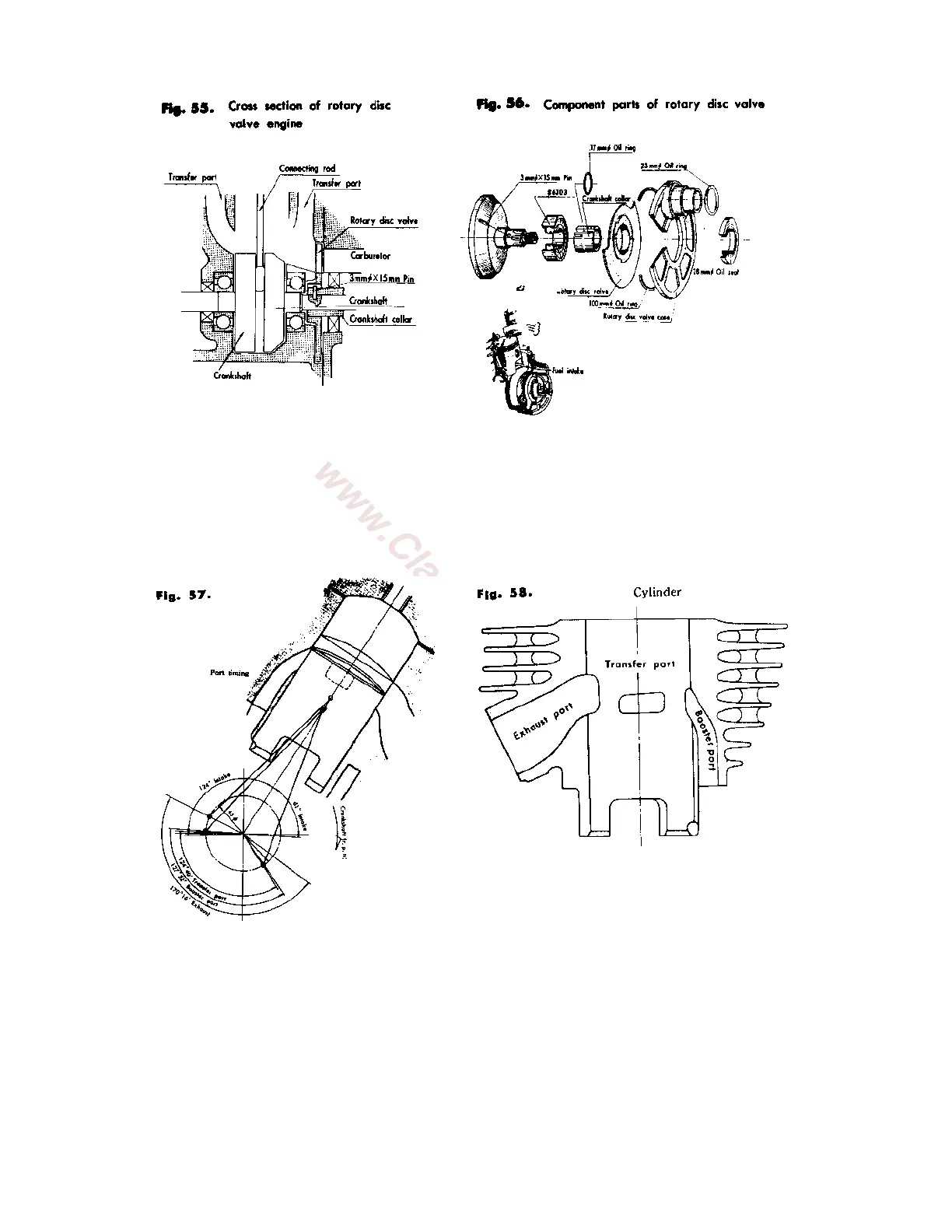
Fig. 56. Component parts of rotary disc valve
B. Rotary Valve Modification
The rotary valves were redesigned early in 1965 to eliminate the steel hub which was formerly molded into
the valve disc.
The valve now fits onto a separate splined collar. Old style valves can be replaced by the new style valves
by also installing the new splined collar and a new (shorter) crankshaft drive pin.
FOR 50-60 SPORT, 90 & 90 SPORT
Because of the new 2-piece design, valve timing must be aligned when installing a new style valve. The
collar has a slot that is easily aligned on the pin in the crankshaft.
The rotary valve must be installed on the collar with the "dot" mark on the valve aligned with the "dot"
mark on the collar.
Fig. 59.

Table of Contents

Related product manuals