EasyManua.ls Logo

Brother MFC9700 - Page 84

Brother MFC9700
255 pages
Print Icon
To Next Page IconTo Next Page
To Next Page IconTo Next Page
To Previous Page IconTo Previous Page
To Previous Page IconTo Previous Page
Loading...
IV - 38
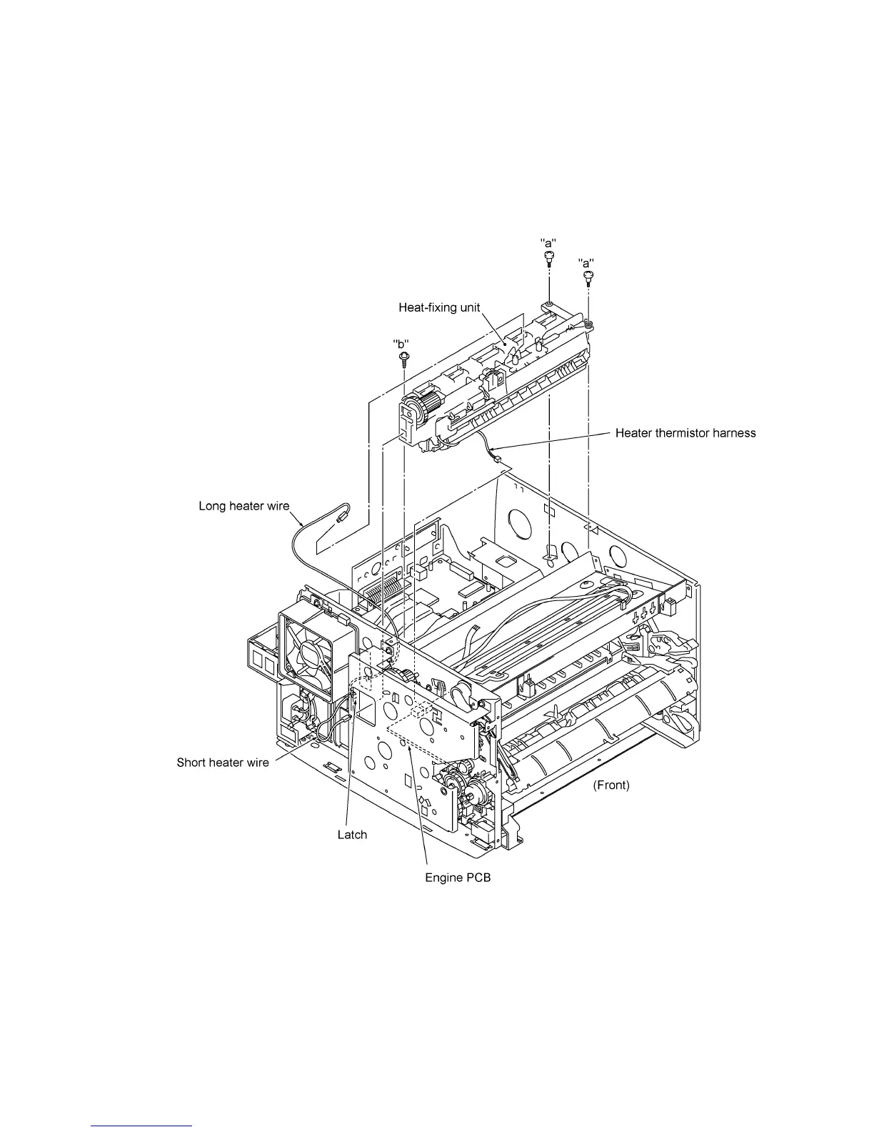
(4) Remove three screws (two "a" and one "b").
(5) Disconnect the long heater wire (of the heater harness) from the upper center of the heat-fixing
unit.
(6) Disconnect the short heater wire (of the heater harness) from the left end of the heat-fixing unit.
(7) Lift up the heat-fixing unit and disconnect the heater thermistor harness from the engine PCB.
"a": Stepped screw
"b": Taptite, cup S M3x8

Table of Contents