EasyManua.ls Logo

Canon NP6512 - Page 94

Canon NP6512
426 pages
Print Icon
To Next Page IconTo Next Page
To Next Page IconTo Next Page
To Previous Page IconTo Previous Page
To Previous Page IconTo Previous Page
Loading...
CHAPTER 4 IMAGE FORMATION SYSTEM
COPYRIGHT
©
1999 CANON INC. CANON NP6512/6612/7120/7130/7130F REV.0 AUG. 1999 PRINTED IN JAPAN (IMPRIME AU JAPON)
4-2
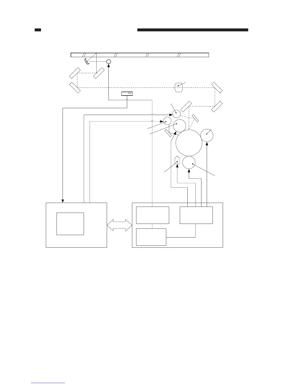
Figure 4-101
Lens
Developing
cylinder
Transfer
roller
Static
eliminator
Composite power supply PCB
High-voltage
circuit block
Lamp regulator
block
Q
900
Photosensitive
drum
Microprocessor
DC controller PCB
Q101
Microprocessor
Side blanking
exposure lamp
Pre-exposure lamp
Primary charging roller
Copyboard glass
Scanning lamp
AE sensor

Table of Contents

Related product manuals