EasyManua.ls Logo

Cimarron ARCONTROL BMS - BMS CID1 Enclosure

Cimarron ARCONTROL BMS
96 pages
Print Icon
To Next Page IconTo Next Page
To Next Page IconTo Next Page
To Previous Page IconTo Previous Page
To Previous Page IconTo Previous Page
Loading...
90
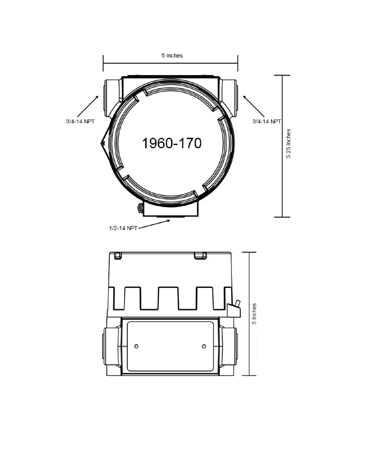
9.2 BMS CID1 Enclosure

Other manuals for Cimarron ARCONTROL BMS