EasyManua.ls Logo

Circutor CVMk Series - Page 15

Circutor CVMk Series
64 pages
Print Icon
To Next Page IconTo Next Page
To Next Page IconTo Next Page
To Previous Page IconTo Previous Page
To Previous Page IconTo Previous Page
Loading...
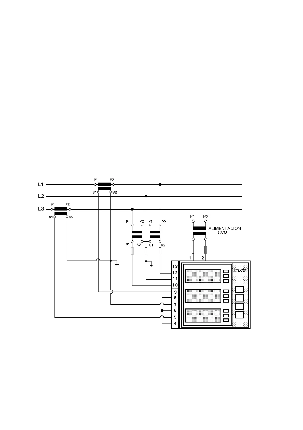
----- Supply network analyzer CVMk and CVMk-ITF ------ Page Nº 14
c.- CVMk-ITF : Two current transformers + 2 voltage transformers.
S2 of the current transformer grounded to earth

Related product manuals