EasyManua.ls Logo

Cisco 3200 - Page 47

Cisco 3200
282 pages
Print Icon
To Next Page IconTo Next Page
To Next Page IconTo Next Page
To Previous Page IconTo Previous Page
To Previous Page IconTo Previous Page
Loading...
5-5
Cisco TelePresence System 3200
OL-14521-01
Chapter 5 Building the Lighting Assembly
Parts List
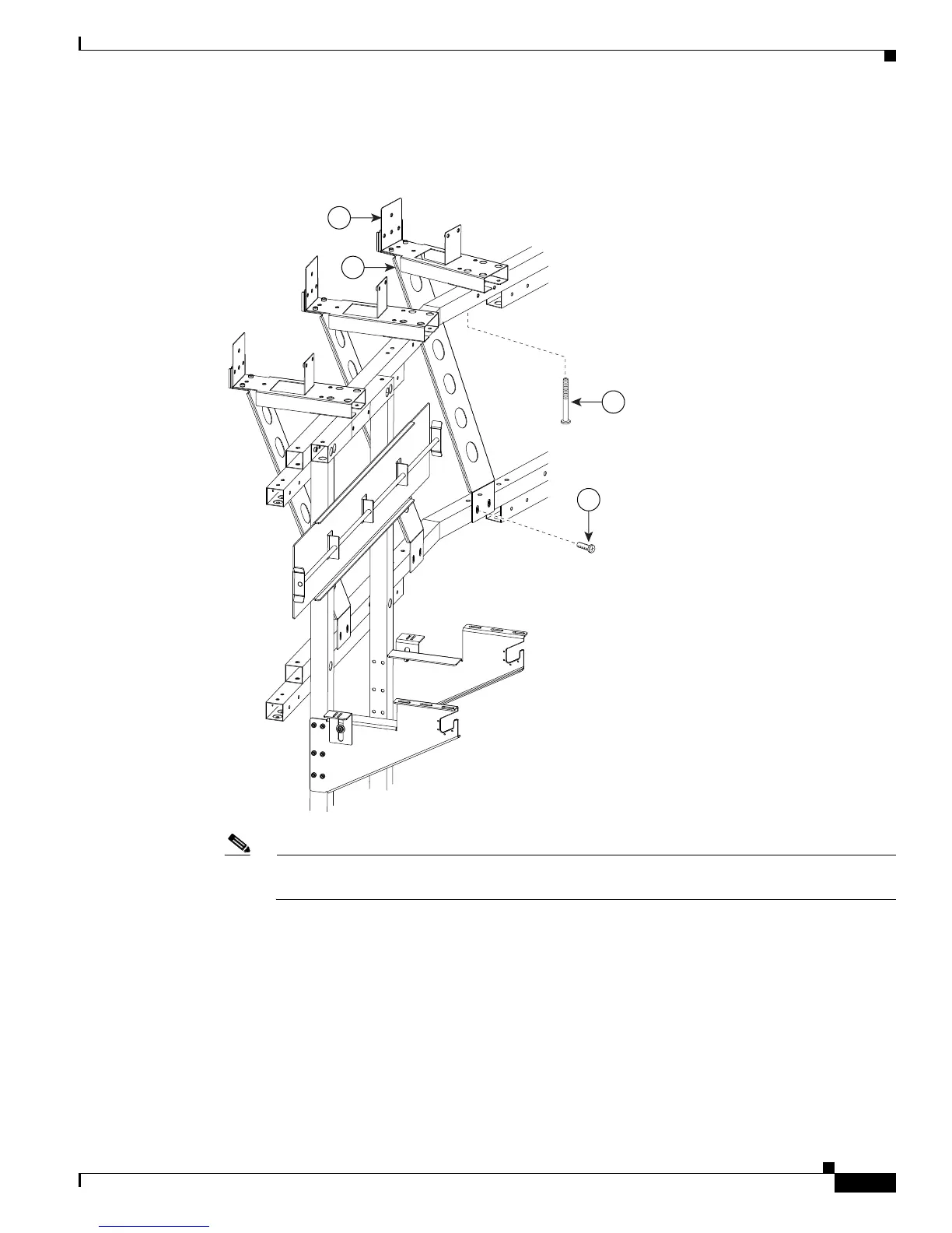
Step 3 Attach the four inner Support brackets to the Support crossbars.
Figure 5-3 Four inner Support brackets (from Figure 5-1)
Note Use any of the six brackets that you assembled in Step 1. There is no physical difference between
the outer and inner Support brackets in Figure 5-1.
201127
31
2
1
26

Table of Contents

Related product manuals