EasyManua.ls Logo

COMEC TR 470 - Page 33

COMEC TR 470
67 pages
Print Icon
To Next Page IconTo Next Page
To Next Page IconTo Next Page
To Previous Page IconTo Previous Page
To Previous Page IconTo Previous Page
Loading...
Libretto istruzioni d’uso e manutenzione
Instruction manual
33
TR 470
9
10
11
12
13
14
15
16
14
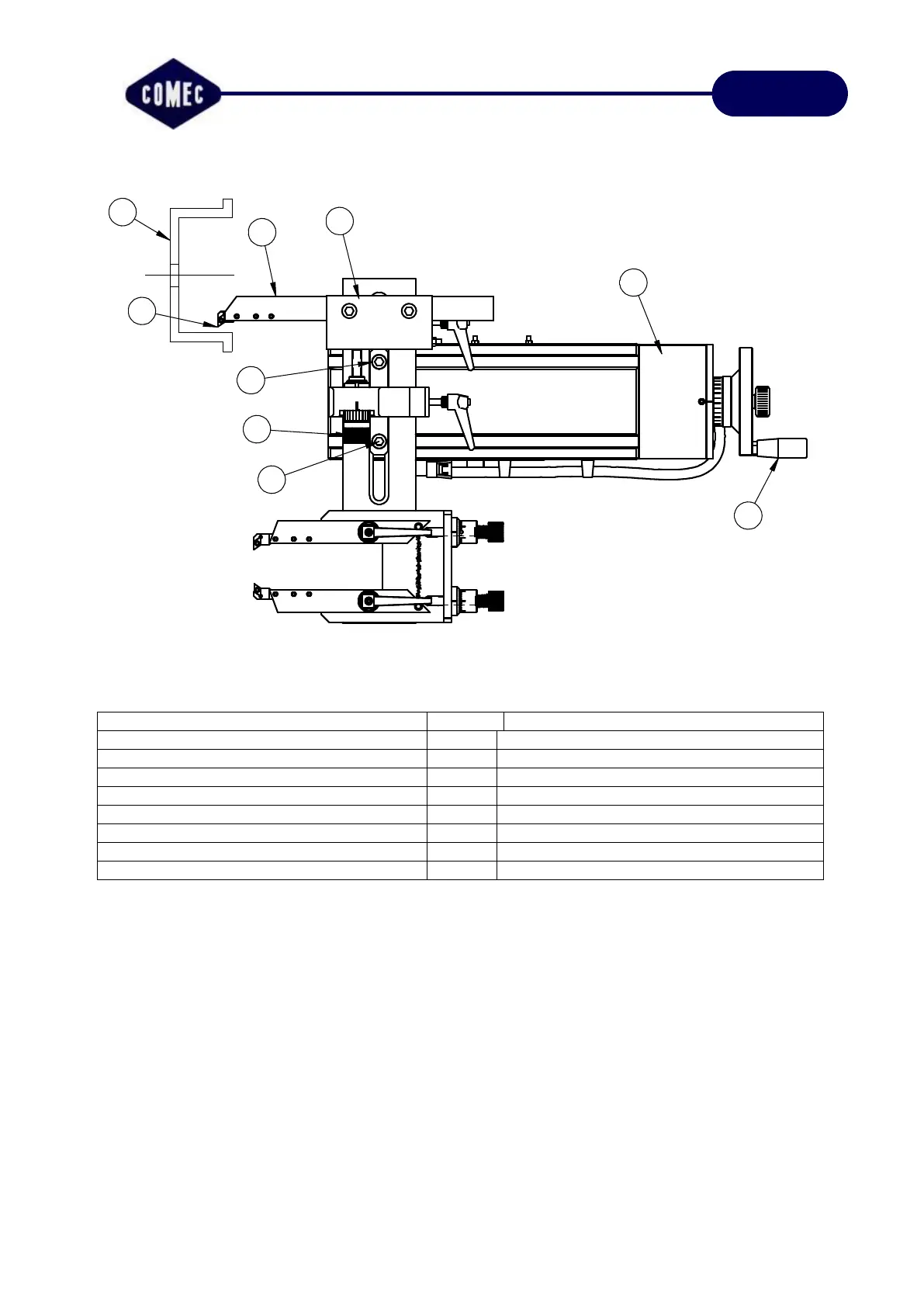
FIG. B
DESCRIZIONE
POS.
DESCRIPTION
Tamburo freno
9
Brake drum
Utensile
10
Cutter
Bareno portautensile
11
Boring bar
Supporto bareno
12
Baring bar support
Scatola avanzamento
13
Feed box
Dadi bloccaggio torretta
14
Turrent locking nuts
Regolatore profondità passate
15
Cut depth regulating handle
Volantino avanzamento manuale
16
Manual feed handwheel

Table of Contents