EasyManua.ls Logo

Control Techniques Digitax ST - Page 23

Control Techniques Digitax ST
224 pages
Print Icon
To Next Page IconTo Next Page
To Next Page IconTo Next Page
To Previous Page IconTo Previous Page
To Previous Page IconTo Previous Page
Loading...
Parameter
structure
Keypad and
display
Parameter x.00
Parameter
description format
Advanced parameter
descriptions
Serial comms
protocol
Electronic
nameplate
Performance
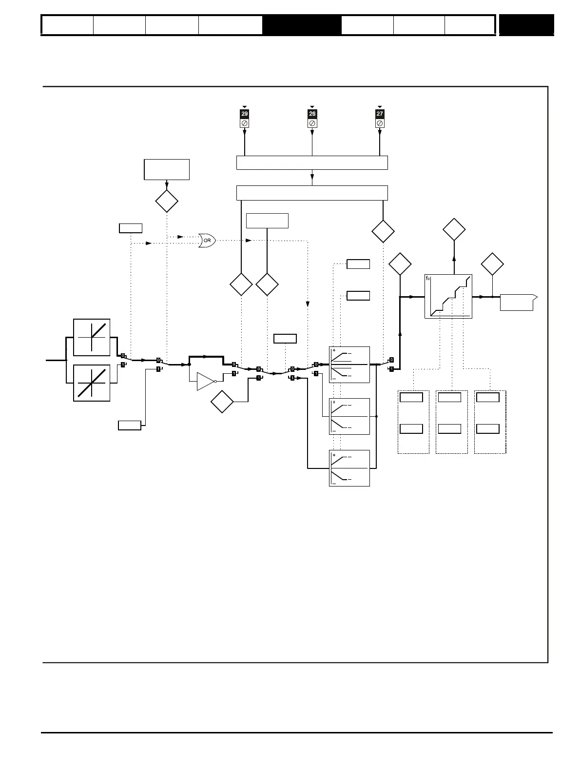
Menu 1
Digitax ST Advanced User Guide 23
Issue Number: 1 www.controltechniques.com
Jog
reference
Bipolar
reference
select
Jog selected
indicator
Menu 6
Sequencer
1.10
1.05
1.13
Pre-filter
reference
Pre-ramp
reference
Maximum
speed
"clamp"
Minimum
speed
"clamp"
(Maximum
reverse
speed)
Negative
minimum
speed
select
Reference
enabled
indicator
Reverse
selected
indicator
Skip
speed 1
Reference in skip
speed
band
indicator
Velocity
feed-forward
reference
Feed-forward
selected
indicator
1.12
x(-1)
1.39
1.40
1.08
[1.06]
[1.07]
[1.07]
[1.06]
[1.06]
[1.06]
[1.06]
[1.07]
1.06
1.07
1.11
Sequencer (Menu 6)
1.02
1.03
Menu
2
Skip
speed
2
Skip
speed
3
Skip speed
band 1
Skip speed
band 2
Skip speed
band 3
1.29
1.30
1.31
1.32
1.33
1.34
1.35
Menu 8
JOG
RUN
FORWARD RUN REVERSE
Menu 13
Position control

Table of Contents

Related product manuals