EasyManua.ls Logo

Control Techniques Digitax ST - Menu 5: Motor Control

Control Techniques Digitax ST
224 pages
Print Icon
To Next Page IconTo Next Page
To Next Page IconTo Next Page
To Previous Page IconTo Previous Page
To Previous Page IconTo Previous Page
Loading...
Menu 5
Parameter
structure
Keypad and
display
Parameter x.00
Parameter
description format
Advanced parameter
descriptions
Serial comms
protocol
Electronic
nameplate
Performance
78 Digitax ST Advanced User Guide
www.controltechniques.com Issue Number: 1
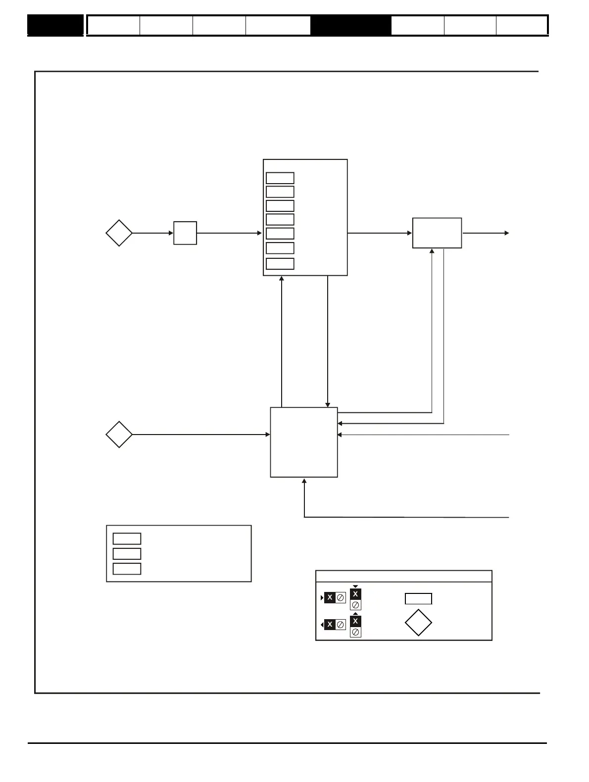
5.7 Menu 5: Motor control
Figure 5-5 Menu 5 Logic diagram
3.04
3.25
Encoder phase
angle
5.08
Motor full load
rated speed
5.09
Motor rated
voltage
5.07
Motor rated
current
5.11
Motor number
of poles
5.17
Motor stator
resistance
5.24
Motor transient
inductance
Flux Calculator
Current limits
Current control
Overload detection
Current loop gains
Torque reference
Current demand filter
Menu 4
Reference
frame
transformation
3.02
Speed
feedback
Speed-loop
controller
output
Position
feedback
Flux
magnitude
Current
references
Current
feedback
Flux angle
5.26
5.31
5.12
Auto-tune
High dynamic performance enable
Voltage controller gain
0.XX
0.XX
Key
Read-write
(RW)
parameter
Read-only (RO)
parameter
Input
terminals
Output
terminals
The parameters are all shown at their default settings

Table of Contents

Related product manuals