EasyManua.ls Logo

Control Techniques Digitax ST - Menu 1: Speed Reference

Control Techniques Digitax ST
224 pages
Print Icon
To Next Page IconTo Next Page
To Next Page IconTo Next Page
To Previous Page IconTo Previous Page
To Previous Page IconTo Previous Page
Loading...
Menu 1
Parameter
structure
Keypad and
display
Parameter x.00
Parameter
description format
Advanced parameter
descriptions
Serial comms
protocol
Electronic
nameplate
Performance
22 Digitax ST Advanced User Guide
www.controltechniques.com Issue Number: 1
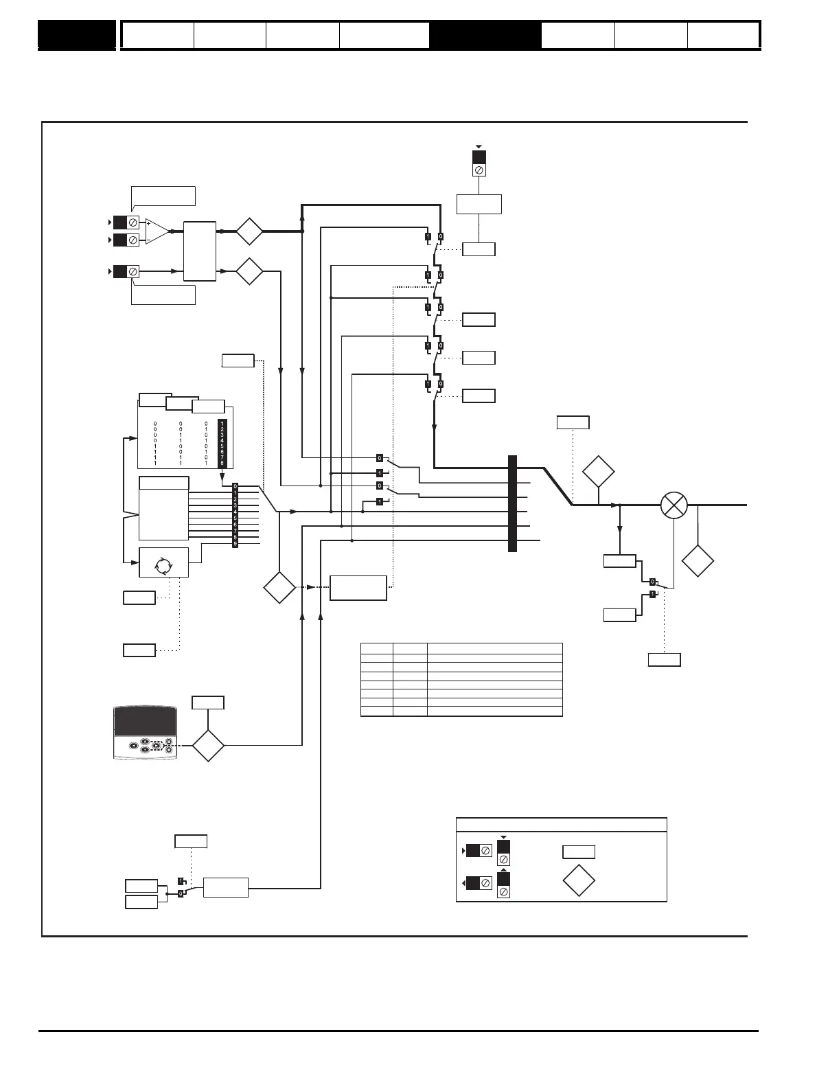
5.3 Menu 1: Speed reference
Menu 1 controls the main reference selection.
Figure 5-1 Menu 1 logic diagram
*Refer to Pr 1.14 on page 27.
Preset reference
*selector
Preset
reference
scan time
Keypad
Reference
Precision
reference
Precision-reference
update disable
Analog
reference 1
Analog
reference 2
Analog reference 2
select
Preset reference select bits 1 ~ 3
Preset reference
Scan-timer reset
Analog input 1
Analog input 2
Memory
Menu 7
1.36
1.37
1.41
1.16
1.48
1.15
1.17
1.20
1.18
Precision
reference trim
1.19
Preset reference
select
Keypad reference
select
Precision reference
select
LOCAL/REMOTE
Menu 8
Level of
reference
selected
Reference
offset
Reference
offset mode
select
Reference
*selector
Reference selected
indicator
1.49
1.14
1.09
1.04
Reference
percentage
trim
1.38
1.01
0
1
2
3
4
5
28
5
6
7
Analog reference
Preset reference
Keypad reference
Precision reference
+
+
0.XX
0.XX
Key
Read-write (RW)
parameter
Read-only (RO)
parameter
Input
terminals
Output
terminals
X
X
X
X
The parameters are all shown in their default settings
1.51
Power-up keypad
control mode
reference
1.20
Preset
reference
selected
indicator
Preset
references
1to8
1.21 ~ 1.28
Scan timer
1.47
1.46
1.45
1.44
1.43
1.42
Pr set to
greater than 1
1.50
1.50
Pr 1.49
1
1
2
2
3
4
5
Pr 1.50
1
>1
1
>1
x
x
x
Reference being used
1.50
1.50
Analogue reference 1
Preset reference defined by Pr
Analogue reference 2
Preset reference defined by Pr
Keypad reference
Precision reference
Preset reference defined by Pr 1.50

Table of Contents

Related product manuals