EasyManua.ls Logo

Control Techniques Digitax ST - Menu 6: Sequencer and Clock

Control Techniques Digitax ST
224 pages
Print Icon
To Next Page IconTo Next Page
To Next Page IconTo Next Page
To Previous Page IconTo Previous Page
To Previous Page IconTo Previous Page
Loading...
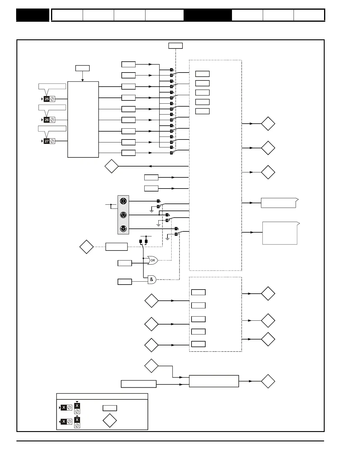
Menu 6
Parameter
structure
Keypad and
display
Parameter x.00
Parameter
description format
Advanced parameter
descriptions
Serial comms
protocol
Electronic
nameplate
Performance
88 Digitax ST Advanced User Guide
www.controltechniques.com Issue Number: 1
5.8 Menu 6: Sequencer and clock
Figure 5-6 Menu 6 logic diagram
6.15
6.30
6.31
6.32
6.33
6.42
6.34
6.37
Logic
1
6.12
Keypad
STOP
key
enable
6.13
Keypad
FWD/REV
key enable
1.11
Reference
enabled
indicator
1.12
Reverse
selected
indicator
1.13
Jog
selected
indicator
RUN
STOP/
RESET
FWD/REV
RESET
1.49
Reference
selected
indicator
Logic 1
6.17
Power
consumption
meter reset
6.18
Time
interval
between
filter changes
6.19
Filter
change
required/done
6.28
Select clock for trip
log time stamp
6.16
Electricity cost
per kWh
Clock control
6.24
6.25
Power
meter
6.26
Running
cost
6.27
Time
before
filter
change due
Inverter enable
Menu 2
Menu 3
Ramp
Hard speed
reference
enable
enable
6.20
6.21
Power-up
time
6.22
6.23
Run-time
5.03
Total motor
power
0.XX
0.XX
Key
Read-write
(RW)
parameter
Read-only (RO)
parameter
Input
terminals
Output
terminals
The parameters are all shown at their default settings
Pr = 4
1.49
6.43
01
Jog reverse
Run
Forward / Reverse
Run reverse
Jog forward
Run forward
Drive enable
Control word
Control word
enable
6.35
6.36
Limit switch 2
Limit switch 1
6.29
Hardware
enable
Menu 8
6.04
Stop / Start
***select
Sequencer
6.01
6.03
6.08
6.09
6.40
Stop mode
selector
Mains loss
mode**
Hold zero
speed *enable
Catch a
spinning motor
Enable sequencer
latching***
5.05
DC link voltage
Low voltage supply
Drive power supply monitor
6.44
Active supply
T25 digital I/O 2
T26 digital I/O 3
T27 digital input 4
6.39
Not stop
*
*
*
Keypad Plus
only

Table of Contents

Related product manuals