EasyManua.ls Logo

Control Techniques Digitax ST - Page 79

Control Techniques Digitax ST
224 pages
Print Icon
To Next Page IconTo Next Page
To Next Page IconTo Next Page
To Previous Page IconTo Previous Page
To Previous Page IconTo Previous Page
Loading...
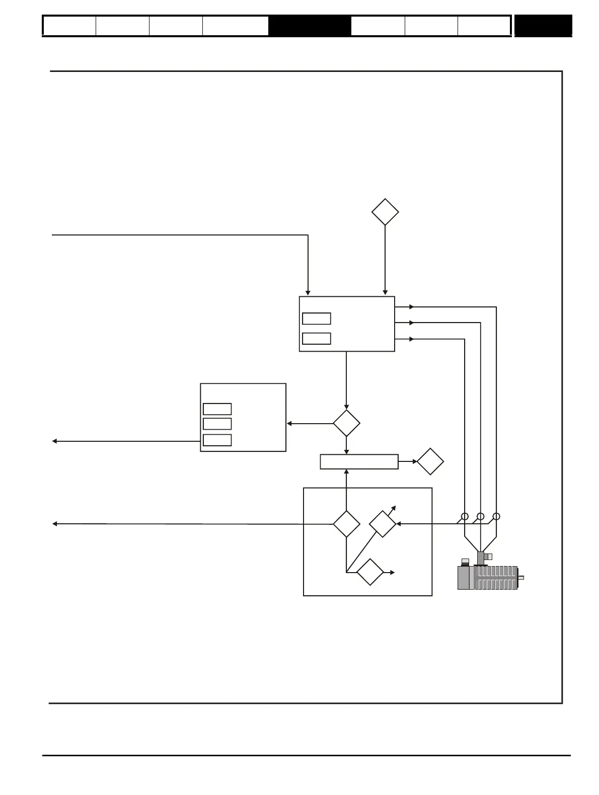
Parameter
structure
Keypad and
display
Parameter x.00
Parameter
description format
Advanced parameter
descriptions
Serial comms
protocol
Electronic
nameplate
Performance
Menu 5
Digitax ST Advanced User Guide 79
Issue Number: 1 www.controltechniques.com
4.02
4.17
4.01
5.09
Motor rated
voltage
5.21
Field gain
reduction
Flux Controller
5.18
Maximum switching
frequency
Modulator
5.03
Power calculation (V x 1)
5.02
Output
voltage
Output
power
5.05
Voltage reference
U
V
W
DC bus
voltage
Motor
current
magnitude
Reactive current
Motor active
current
5.35
Disable auto
switching
frequency change
5.22
High speed
servo mode
enable

Table of Contents

Related product manuals