EasyManua.ls Logo

Craftex CT146 - Installing the Rip Fence

Craftex CT146
56 pages
Print Icon
To Next Page IconTo Next Page
To Next Page IconTo Next Page
To Previous Page IconTo Previous Page
To Previous Page IconTo Previous Page
Loading...
23
ASSEMBLY
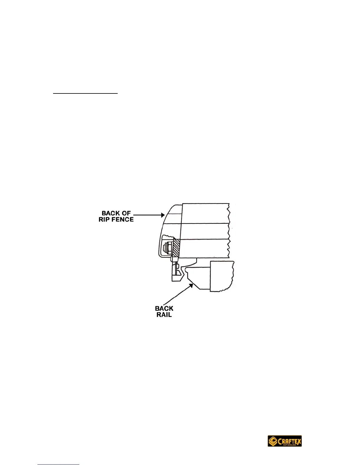
Install the Rip Fence
Place the front of the fence on the front rail. Lower the back end of the fence onto
the back rail. It should sit smooth and should glide smoothly.
Lock the fence by pushing down on the locking handle and this should
automatically align the fence.
See Figure 11
Figure 11

Related product manuals