EasyManua.ls Logo

Cramaro CABRIOLE - Page 41

Default Icon
78 pages
Print Icon
To Next Page IconTo Next Page
To Next Page IconTo Next Page
To Previous Page IconTo Previous Page
To Previous Page IconTo Previous Page
Loading...
CABRIOLE’
CRAMARO TS S.r.l. 37044 COLOGNA V.TA (VR) - VIA QUARI DESTRA, 71/G TEL. +39 0442/411688 / FAX + 39 0442/411690
E-MAIL info@cramaro.com WEBSITE: http://www.cramaro.com - Manual n° MCA016-EN-ED00 date 15/01/15
page 41
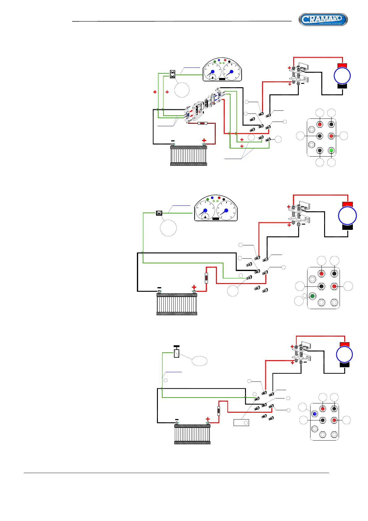
FUSE
24 V dc
MOTOR
M
5
4
3
2
1
F
1/2
E
50
40
3
0
2
0
1
0
9
0
8
0
7
0
60
1 x 1 mm
2
IC
-
+
BATTERY
MOTOR
B+
B-
BATTERY
MOTOR
AP
M+
M-
+
M
B+B-
AP
M
FIG 64
+
+
-
+
BATTERY
MOTOR
B+
B-
BATTERY
FUSE
24 V dc
MOTOR
5
4
3
2
1
F
1/2
E
50
40
3
0
2
0
1
0
9
0
8
0
7
0
60
MOTOR
M
2 x 2 mm
2
2 x 2 mm
2
2 x 2 mm
2
CC
IC
CC
M+
M-
+
M
CC
B+B-
M
CC
FIG 63
FUSE
24 V dc
MOTOR
M
-
+
BATTERY
MOTOR
B+
B-
BATTERY
MOTOR
AUX
REL
M+
M-
+
M
B+B-
AUX
M
FIG 65
1 x 1 mm
2
-
-
-
CONNECTION FOR
CONTROL
IN CAB FOR SEMI-TRAILER
IC = switch in cab,
normally open and with positive
connected to the power supply
(for example, on the dashboard)
ELECTRICAL CONNECTION
FOR PARTIAL OPENING
(TIMED 7s)
IC = control from PTOs
with positive connected to
power supply
(for example, on the dashboard)
ELECTRICAL CONNECTION
FOR VIBRATION CONTROL
THE RELAY (REL) to use for
the vibrator control is the E T106A2 model
marketed by the RAVIOLI company
To use the VIBRATOR CONTROL,
you must use the
4-button transmitter

Table of Contents