EasyManua.ls Logo

Cuppone Evolution DG - Page 70

Default Icon
85 pages
Print Icon
To Next Page IconTo Next Page
To Next Page IconTo Next Page
To Previous Page IconTo Previous Page
To Previous Page IconTo Previous Page
Loading...
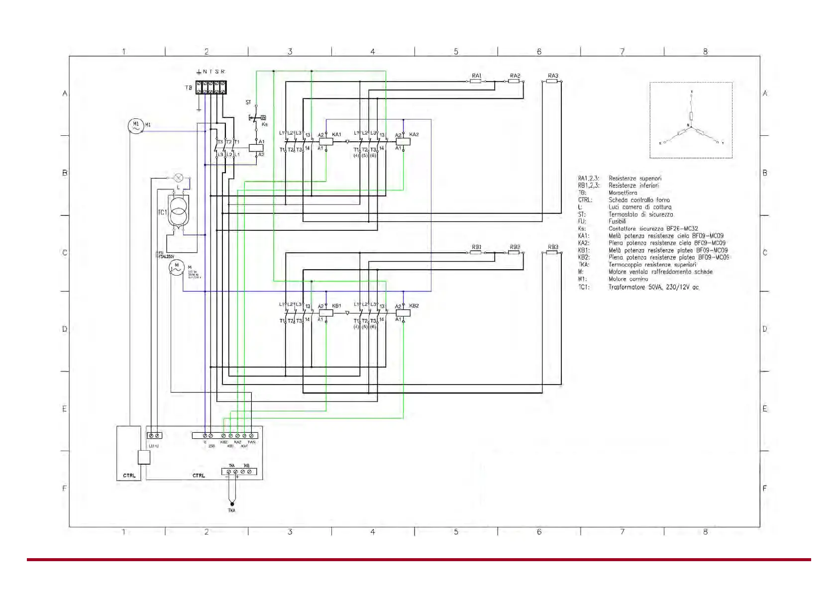
160418AR03-Manuale EV-DG-CD.doc 04/2016
69
AC 3 N 400 50/60 Hz EV_CD

Table of Contents