EasyManua.ls Logo

Daikin 10 - Page 50

Daikin 10
169 pages
Print Icon
To Next Page IconTo Next Page
To Next Page IconTo Next Page
To Previous Page IconTo Previous Page
To Previous Page IconTo Previous Page
Loading...
4
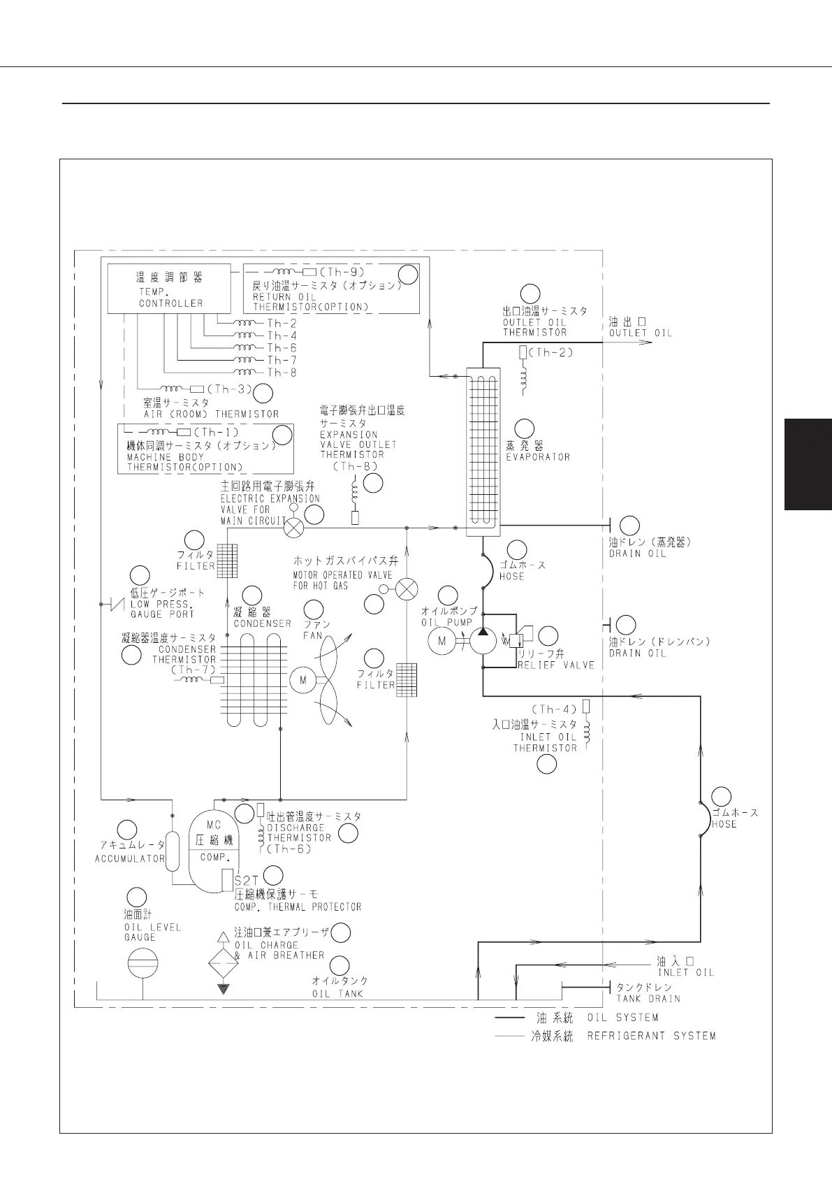
Piping Diagrams
Piping Diagrams
47
Piping
Diagrams
$
'
',
)
*
1
.
.
,
4
$'
'*
')
$.
'$
''
$$
'.
$2
$4
$,
$)
$*
$#
$$
$1
2
'#
CPH400506
AKZ14A–43A-T, AKZ14A–43AT500
00_PB00540A_M10.indb 47 2023/08/09 12:58:57

Table of Contents

Related product manuals