EasyManua.ls Logo

Daikin 10 - Page 54

Daikin 10
169 pages
Print Icon
To Next Page IconTo Next Page
To Next Page IconTo Next Page
To Previous Page IconTo Previous Page
To Previous Page IconTo Previous Page
Loading...
4
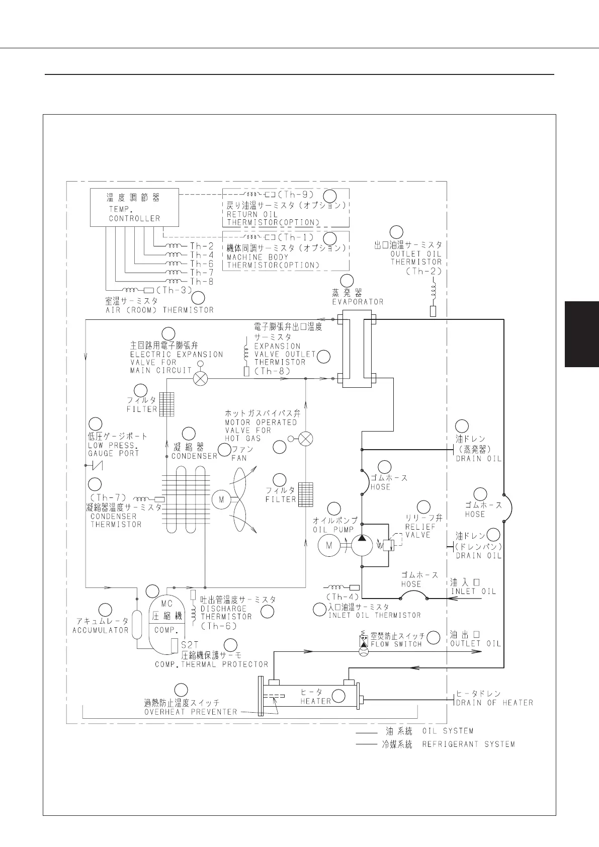
Piping Diagrams
Piping Diagrams
51
Piping
Diagrams
$
'
*
1
.
2
4
$'
')
'$
''
$#
$$
$2
'.
$4
$,
$*
$.
$$
'*
'#
$)
,
)
',
$1
.
CPH400515
AKZ56A/90A-H, AKZ56A/90AH500
00_PB00540A_M10.indb 51 2023/08/09 12:58:58

Table of Contents

Related product manuals