EasyManua.ls Logo

Daikin R407C PLUS - Piping Diagram; Outdoor Unit

Daikin R407C PLUS
267 pages
Print Icon
To Next Page IconTo Next Page
To Next Page IconTo Next Page
To Previous Page IconTo Previous Page
To Previous Page IconTo Previous Page
Loading...
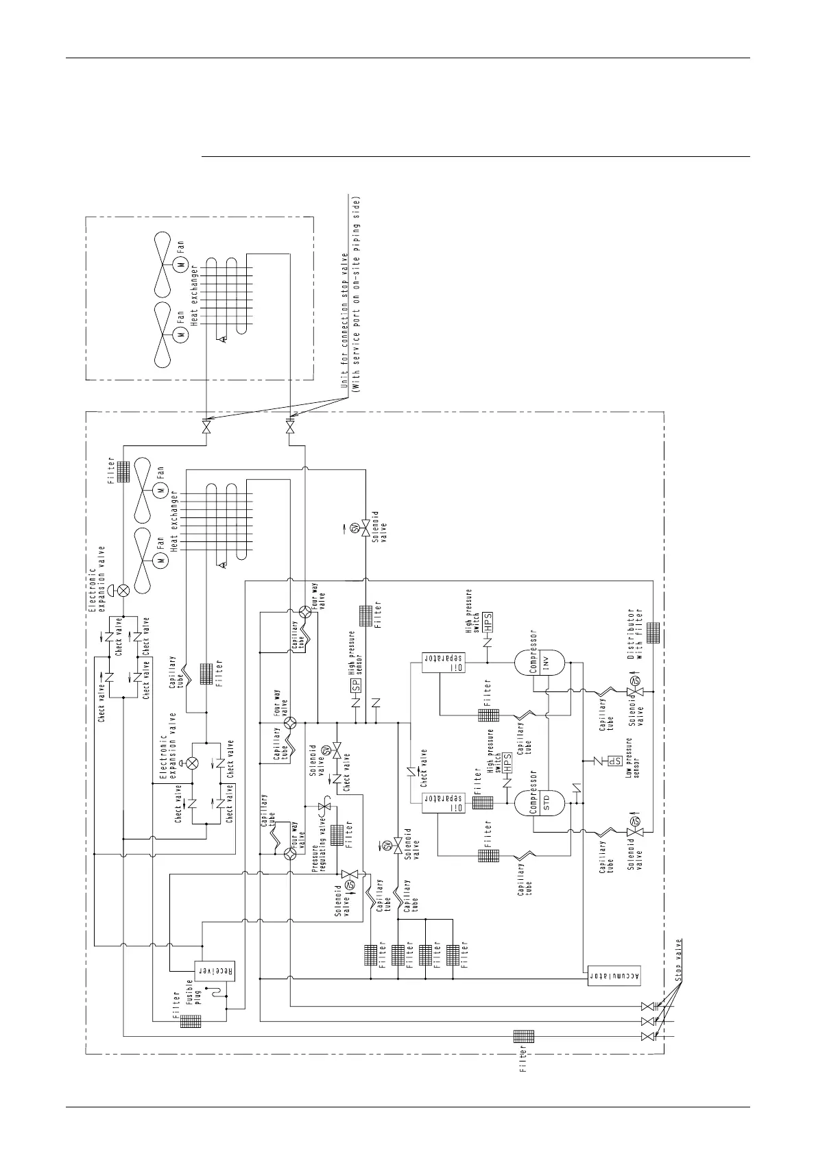
Piping Diagram Si33-105
220 Appendix R407C PLUS Series Heat Recovery System
1. Piping Diagram
1.1 Outdoor Unit
RSEYP16·18·20KJY1
3D031937

Table of Contents

Related product manuals