EasyManua.ls Logo

Daikin R407C PLUS - Flow of Refrigerant in each Operating Mode

Daikin R407C PLUS
267 pages
Print Icon
To Next Page IconTo Next Page
To Next Page IconTo Next Page
To Previous Page IconTo Previous Page
To Previous Page IconTo Previous Page
Loading...
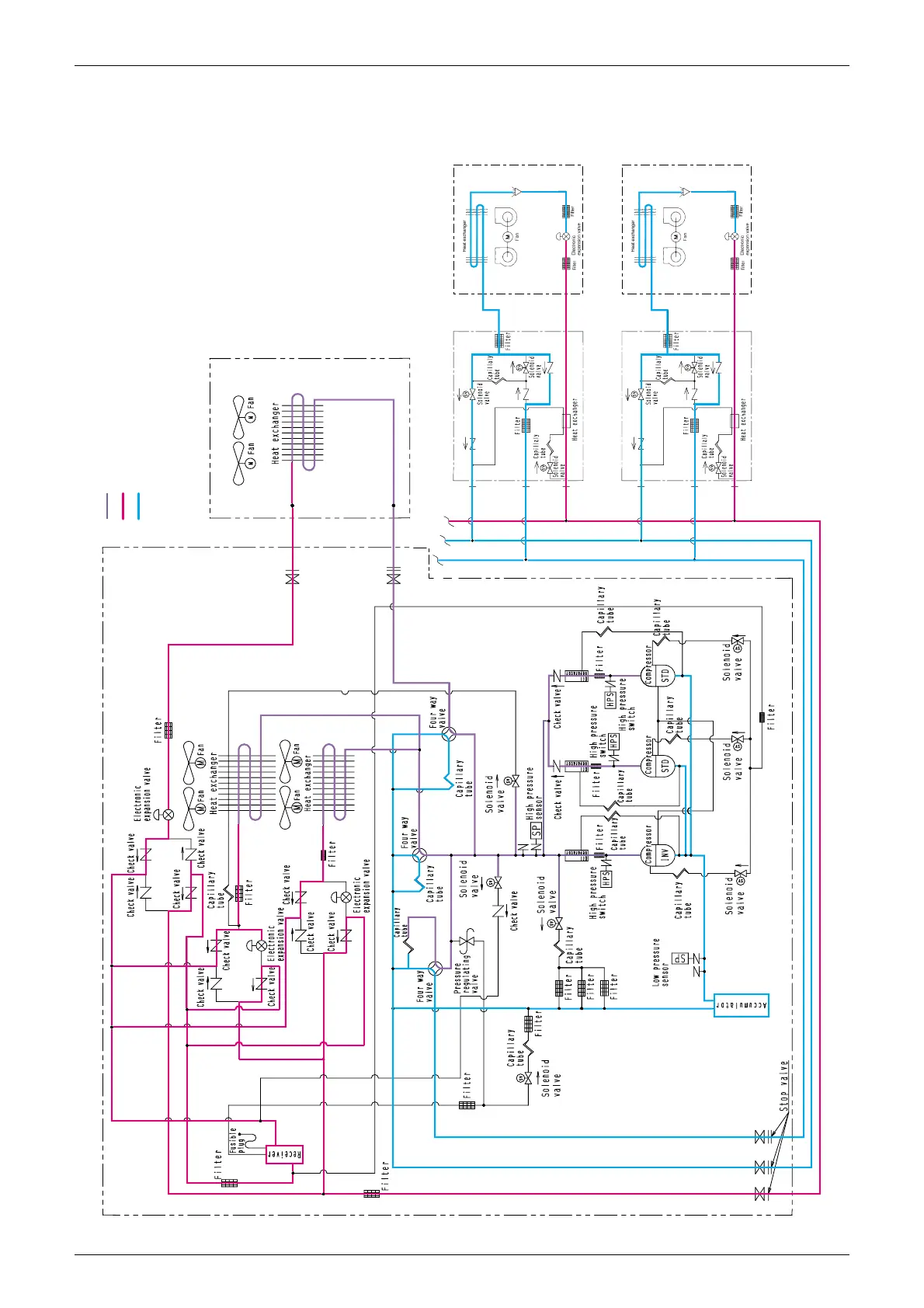
Si33-105 Refrigerant System Diagram
Function R407C PLUS Series Heat Recovery System 39
1.3 Flow of Refrigerant in Each Operating Mode
1.3.1 Cooling Operation
500 pls
Indoor unit
Indoor unit
BS unit
BS unit
500 pls
Main unit
Sub unit
Hex.3
20E3 (Y3E)
Hex. 1
20E1(Y1E)
Hex. 2
20S1(Y1R)
20S2
(R1R)
Y5S
(3D031938-1)
20E2
(Y2E)
20S3
(Y3R)
High pressure & high temperature gas refrigerant
High pressure & high temperature liquid refrigerant
Low pressure & low temperature liquid & gas refrigerant

Table of Contents

Related product manuals