EasyManua.ls Logo

Daikin R407C PLUS - Page 51

Daikin R407C PLUS
267 pages
Print Icon
To Next Page IconTo Next Page
To Next Page IconTo Next Page
To Previous Page IconTo Previous Page
To Previous Page IconTo Previous Page
Loading...
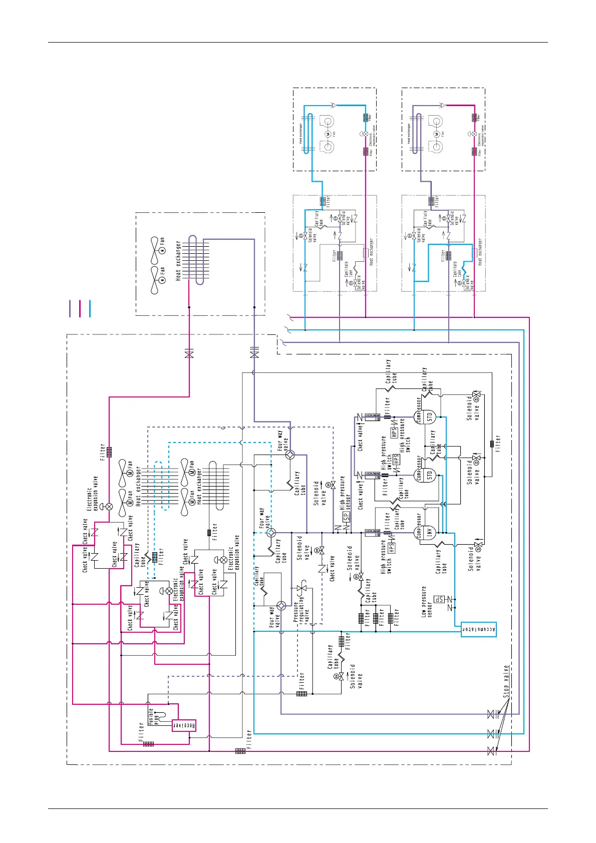
Refrigerant System Diagram Si33-105
40 Function R407C PLUS Series Heat Recovery System
1.3.2 Simultaneous Cooling / Heating Operation
Indoor unit (Cooling)
Indoor unit (Heating)
BS unit
BS unit
Main unit
Sub unit
Hex.3
20E3 (Y3E)
Hex. 1
20E1(Y1E)
Hex. 2
20S1(Y1R)
20S2
(R1R)
Y5S
(3D031938-2)
20E2
(Y2E)
20S3
(Y3R)
High pressure & high temperature gas refrigerant
High pressure & high temperature liquid refrigerant
Low pressure & low temperature liquid & gas refrigerant

Table of Contents

Related product manuals