EasyManua.ls Logo

Daikin R407C PLUS - Page 44

Daikin R407C PLUS
267 pages
Print Icon
To Next Page IconTo Next Page
To Next Page IconTo Next Page
To Previous Page IconTo Previous Page
To Previous Page IconTo Previous Page
Loading...
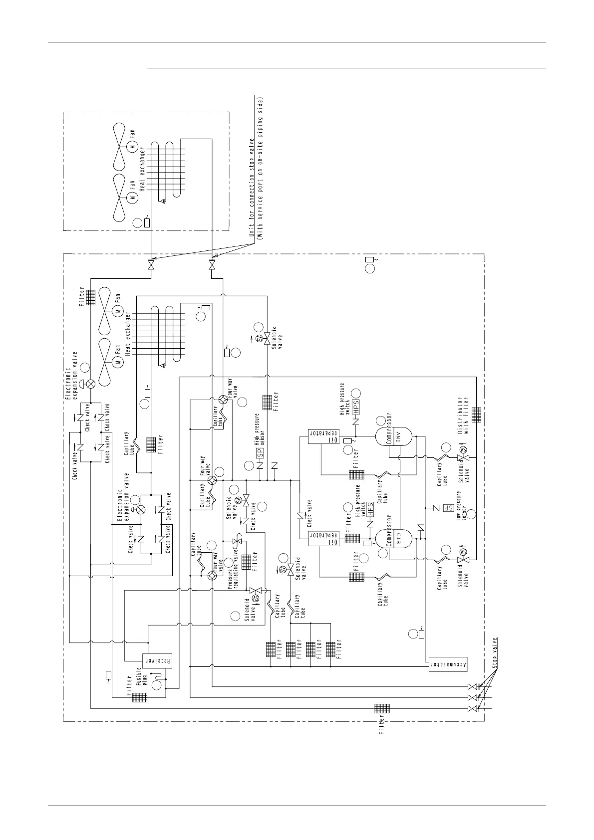
Si33-105 Refrigerant System Diagram
Function R407C PLUS Series Heat Recovery System 33
RSEYP16, 18, 20KJY1
3D031937
1
5
Y
P
R8T
Y4S
N
Y2S
6
R3-2T
V
S2PH
R3-1T
R
Y6S
O
Y3S
A
M1C
U
S1PH
R1T
T
SENPL
B
M2C
D
Y1R
J
Y1E
K
Y2E
HX1
S
SENPH
F
Y
X
Y3R
E
Y2R
Q
Y5S
M
Y1S
9
8
R42T
11
R6T
4
R2-2T
HX2
2
R2-1T
R41T

Table of Contents

Related product manuals