EasyManua.ls Logo

Danfoss FC 102 - Page 40

Danfoss FC 102
190 pages
Print Icon
To Next Page IconTo Next Page
To Next Page IconTo Next Page
To Previous Page IconTo Previous Page
To Previous Page IconTo Previous Page
Loading...
2.8.9 Reference Handling
Details for Open Loop and Closed Loop operation
Preset relative ref.
Preset ref.Ref. 1 source
Ext. closed loop outputs
No function
Analog inputs
Frequency inputs
No function
No function
Freeze ref.
Speed up/ speed down
ref.
Remote
Ref. in %
[1]
[2]
[3]
[4]
[5]
[6]
[7]
Open loop
Freeze ref.
&
increase/
decrease
ref.
Scale to
RPM,Hz
or %
Scale to
Closed
loop
unit
Relative
X+X*Y
/100
DigiPot
DigiPot
DigiPot
max ref.
min ref.
[0]
on
o
Conguration mode
Closed loop
Input command:
Ref. function
Ref. Preset
Input command:
Preset ref. bit0, bit1, bit2
External
reference
in %
Bus
reference
Open loop
From Feedback Handling
Setpoint
Conguration mode
Input command:
Input command:
Digipot ref.
Increase
Decrease
Clear
DigiPot
Closed loop
Ref. 2 sourceRef. 3 source
Analog inputs
Frequency inputs
Analog inputs
Frequency inputs
Ext. closed loop outputs
Ext. closed loop outputs
P 3-10P 3-15P 3-16P 3-17
Y
X
%
%
P 1-00
P 3-14
±100%
130BA357.12
P 3-04
±200%
±200%
±200%
0%
±200%
P 1-00
±200%
0/1
0/1
0/1
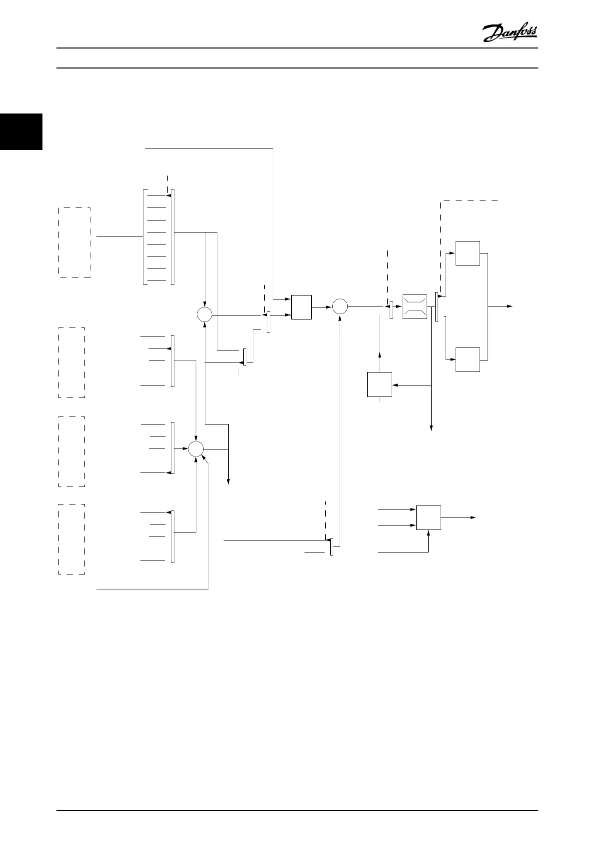
Illustration 2.29 Block Diagram Showing Remote Reference
The remote reference is comprised of:
Preset references.
External references (analog inputs, pulse
frequency inputs, digital potentiometer inputs
and serial communication bus references).
The Preset relative reference.
Feedback controlled setpoint.
Up to 8 preset references can be programmed in the
frequency converter. The active preset reference can be
selected using digital inputs or the serial communications
bus. The reference can also be supplied externally, most
commonly from an analog input. This external source is
selected by one of the 3 Reference Source parameters
(3-15 Reference 1 Source, 3-16 Reference 2 Source and
3-17 Reference 3 Source). Digipot is a digital potentiometer.
This is also commonly called a Speed Up/Speed Down
Control or a Floating Point Control. To set it up, one digital
input is programmed to increase the reference, while
another digital input is programmed to decrease the
reference. A third digital input can be used to reset the
Digipot reference. All reference resources and the bus
Introduction to VLT® HVAC D... Design Guide
38 Danfoss A/S © Rev. 06/2014 All rights reserved. MG11BC02
22

Table of Contents

Other manuals for Danfoss FC 102

Related product manuals