EasyManua.ls Logo

Datem Neptune 5000 - Page 15

Datem Neptune 5000
118 pages
Print Icon
To Next Page IconTo Next Page
To Next Page IconTo Next Page
To Previous Page IconTo Previous Page
To Previous Page IconTo Previous Page
Loading...
Neptune 5000
© Copyright Datem Limited 2014
15
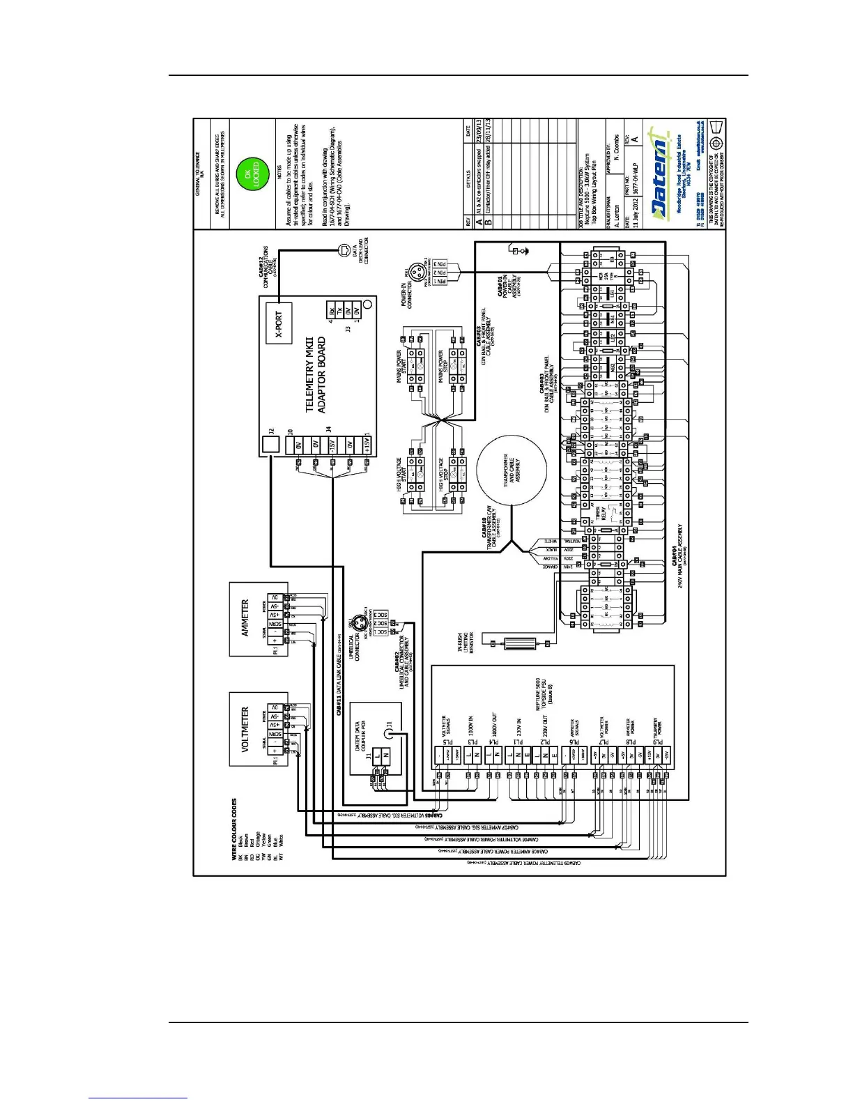
Figure 4: Topside Control Box Wiring Layout

Table of Contents