EasyManua.ls Logo

Delta AH Motion Series - Page 228

Delta AH Motion Series
254 pages
To Next Page IconTo Next Page
To Next Page IconTo Next Page
To Previous Page IconTo Previous Page
To Previous Page IconTo Previous Page
Loading...
AH Motion Hardware Manual
4-92
_4
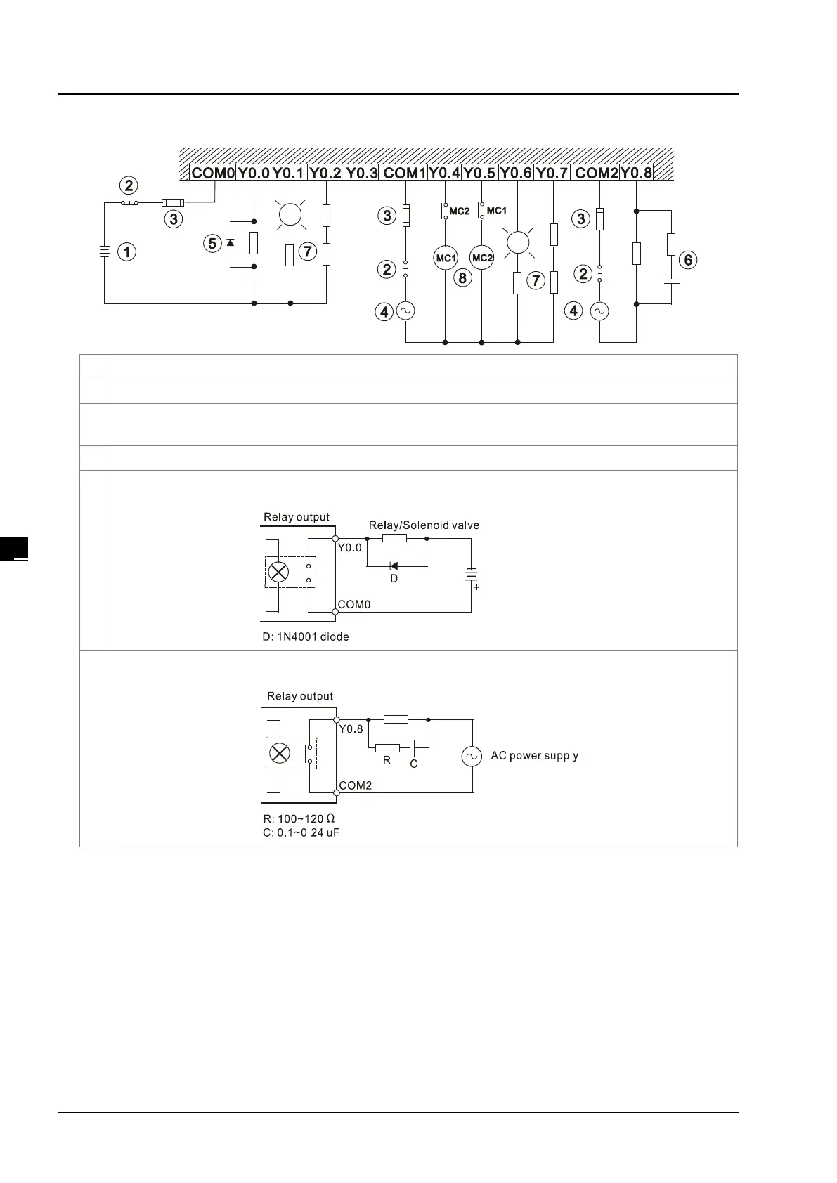
Relay output circuit
Direct-current power supply
Emergency stop: An external switch is used.
Fuse: To protect the output circuit, a fuse having a breaking capacity in the range of 5 A to 10 A is connected
to
the common terminal.
Alternating-current power supply
A relay or a solenoid valve is used as a DC load. A diode is connected in parallel to absorb the surge voltage
which occurs when the load is OFF.
V DC power supply
An electromagnetic contactor is used as an AC load. A resistor and a capacitor are connected in parallel to
absorb the surge voltage which occurs when the load is OFF.
Electromagnetic contactor

Table of Contents

Related product manuals