EasyManua.ls Logo

Delta C2000 Series - Page 112

Delta C2000 Series
936 pages
Print Icon
To Next Page IconTo Next Page
To Next Page IconTo Next Page
To Previous Page IconTo Previous Page
To Previous Page IconTo Previous Page
Loading...
Chapter 7 Optional AccessoriesC2000
7-5
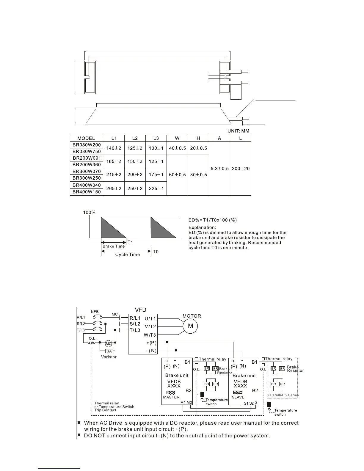
1-2 Aluminum housed resistor: for below 1000W. Refer to the following appearance of aluminum-housed
resistor (Figure 7-2) and its model and specification comparison table (Table 7-6) for details.
A
W
L1
L 2
L
2. Select the resistance value, power and brake usage (ED %) according to Delta rules.
For safety, install a thermal overload relay (O.L) between the brake unit and the brake resistor in
conjunction with the magnetic contactor (MC) before the drive for additional protection. The thermal
overload relay protects the brake resistor from damage due to frequent or continuous braking. Under such
circumstances, turn off the power to prevent damage to the brake resistor, brake unit and drive.
H
L3
12.0
16AWG, 1.318MM2
Figure 7-2
Table 7-6
Figure 7-3
Figure 7-4

Table of Contents

Other manuals for Delta C2000 Series

Related product manuals