EasyManua.ls Logo

Delta VFD-V Series - PG Card

Delta VFD-V Series
185 pages
Print Icon
To Next Page IconTo Next Page
To Next Page IconTo Next Page
To Previous Page IconTo Previous Page
To Previous Page IconTo Previous Page
Loading...
B
VFD-V Series
DELTA ELECTRONICS, INC. ALL RIGHTS RESERVED
B-13
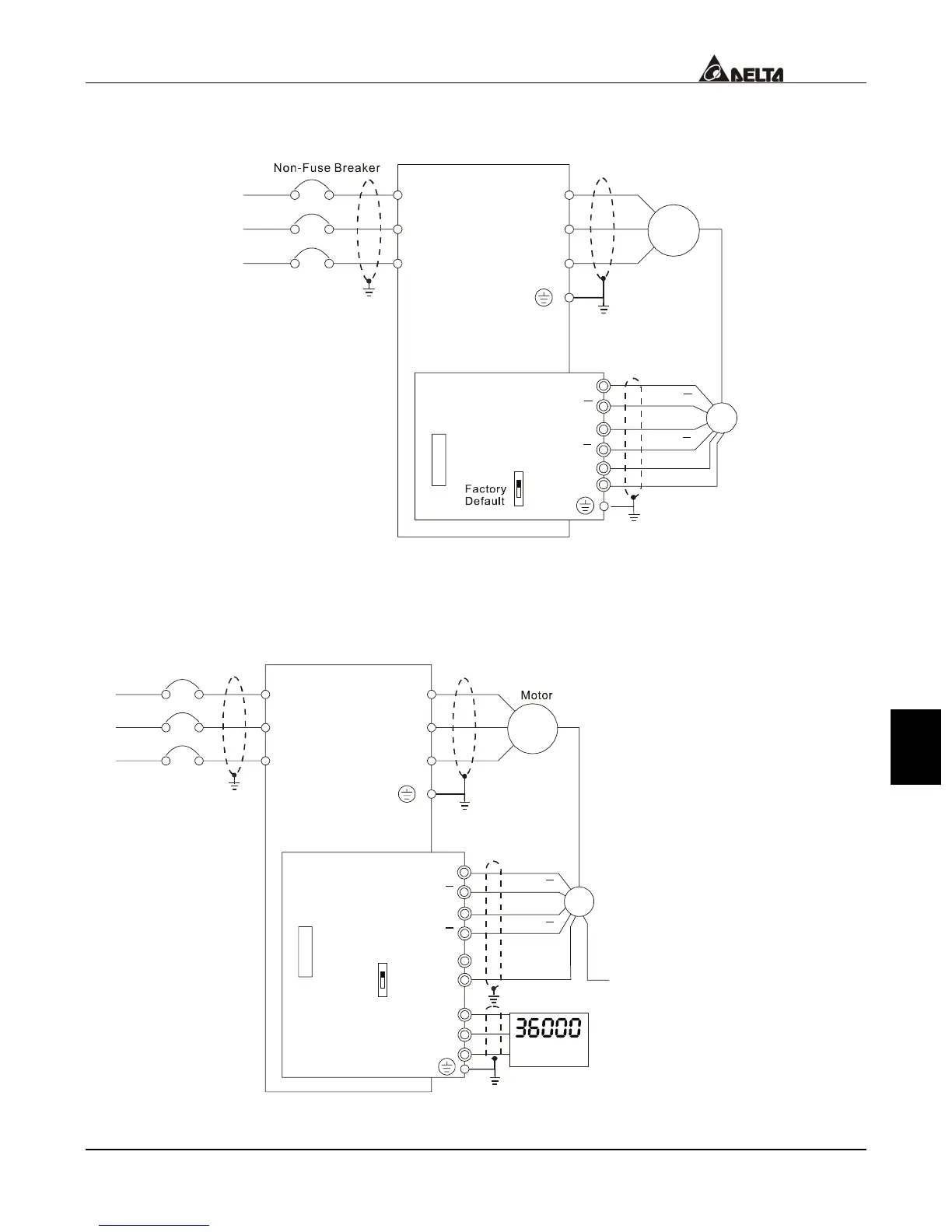
B.4 PG Card
Wiring Diagram
NFB
R/L1
S/L2
T/L3
U/T1
V/T2
W/T3
M
3~
Motor
PG
A
B
12V
0V
PG-03
VFD-V
+12V
GND
OC
TP
Connection between PG-03 and the Encoder
*
Specification of the Encoder
is of the 12V/OC Output
A
B
A
B
A
B
Shield
Ter m i n a l
R/L1
S/L2
T/L3
Connect Externally with the Encoder of 5V Power Supply and Output Signals to Additional
Tachometer
Non-Fuse Breaker
NFB
R/L1
S/L2
T/L3
U/T1
V/T2
W/T3
M
3~
A
B
12V
0V
PG-03
VFD-V
+5V
GND
A
B
OC
TP
Connection between PG-03 and the Encoder
A/O
B/O
RPM Wire
*
Specification of the
Encoder is of 5V/OC output,
which could also connect
externally with the RPM wire
*
Power of the wire should
be supplied by the customers
RPM
0V
A
B
A
B
PG
Shield
Ter mi n a l
R/L1
S/L2
T/L3

Table of Contents

Related product manuals