EasyManua.ls Logo

Denso SMT7 - Connecting Encoder Cable

Denso SMT7
118 pages
Print Icon
To Next Page IconTo Next Page
To Next Page IconTo Next Page
To Previous Page IconTo Previous Page
To Previous Page IconTo Previous Page
Loading...
Chapter 5 Installation and Wiring
95
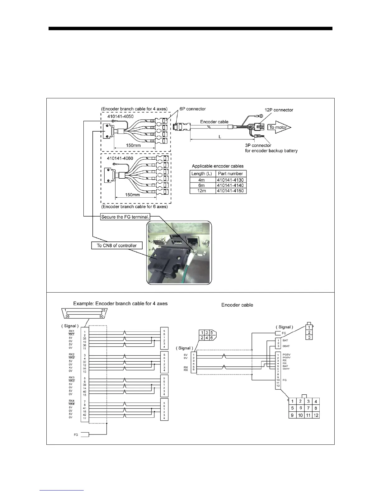
5.2.2 Connecting Encoder Cable
Encoder cables with the length of 4, 6, and 12 m are available as options. Connect
the encoder cable to the SMT7 controller via the encoder branch cable.
Note: Secure the FG terminal of the encoder branch cable to the original screw on
the SMT7 controller shown in the figure below.
Connection of encoder cable

Table of Contents

Related product manuals