EasyManua.ls Logo

Dieci Apollo 25.6 - Page 227

Dieci Apollo 25.6
235 pages
Print Icon
To Next Page IconTo Next Page
To Next Page IconTo Next Page
To Previous Page IconTo Previous Page
To Previous Page IconTo Previous Page
Loading...
F/4
Mod. Apollo
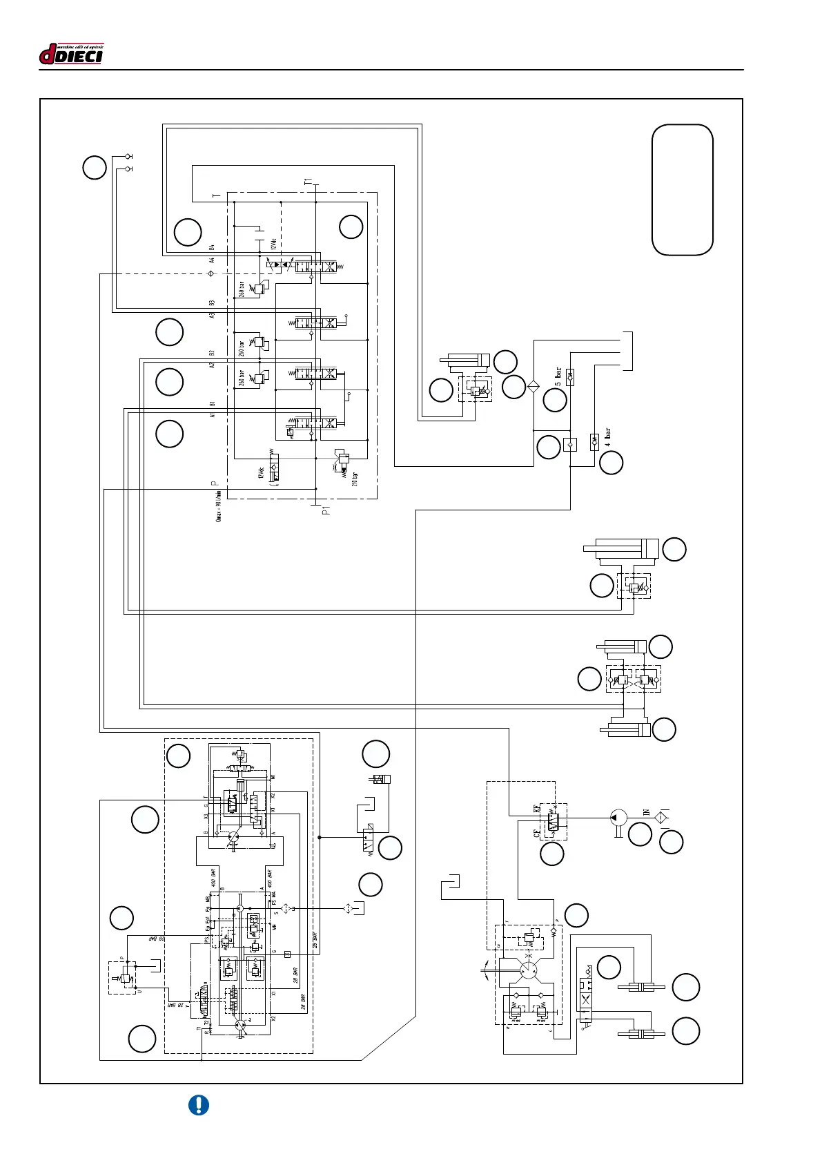
Hydraulic Diagrams and Circuits
- ATTENTION: - Read the SAFETY REGULATIONS (contained in this manual) carefully for the safety of all personnel and your vehicle.
A
21
18
20
17
16
15
19
14
11
6
5
5
3
8
7
12
13
10
4
2
1
9
B
C
D
G
I
F
E
H
APOLLO

Table of Contents

Related product manuals