EasyManua.ls Logo

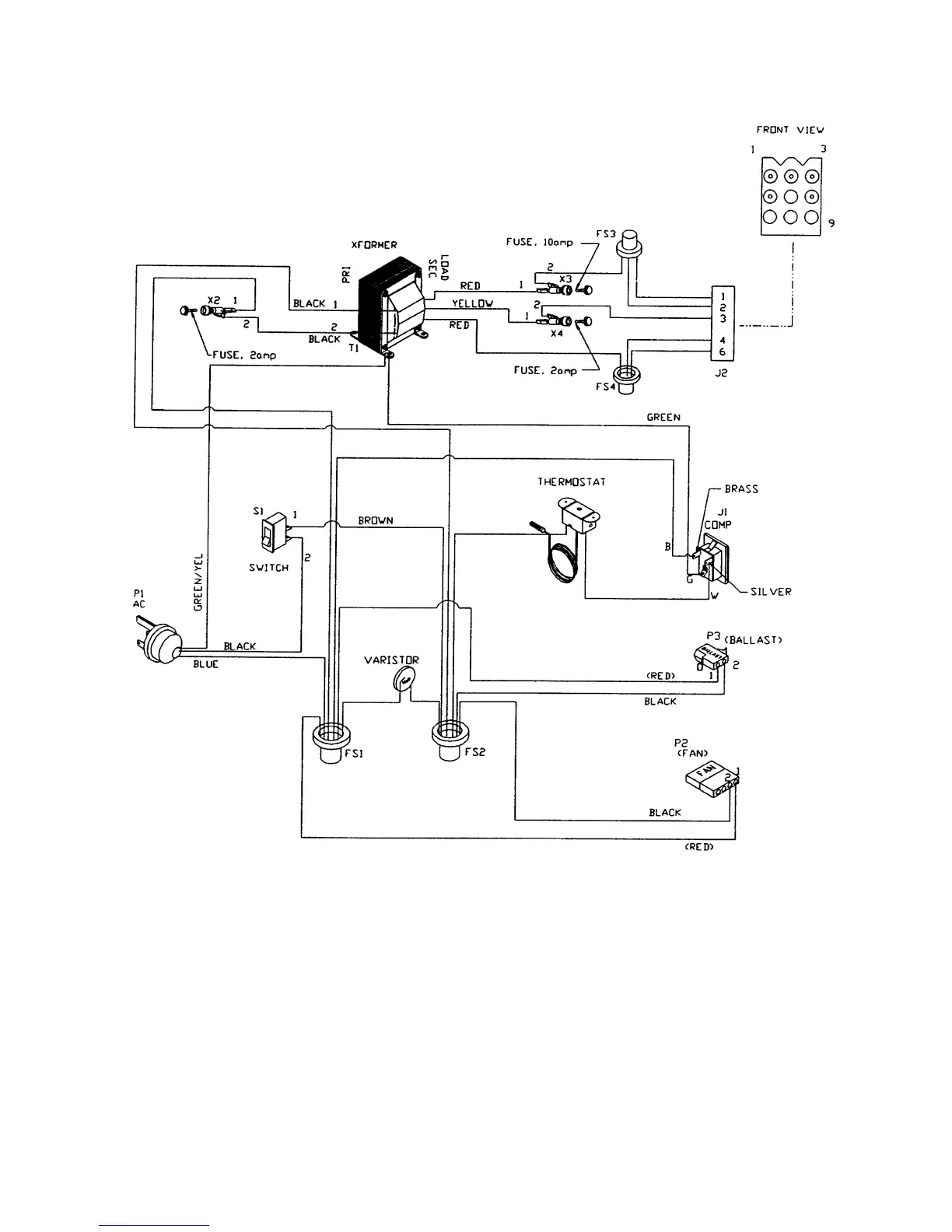
Dixie Narco 2145 - Figure 4 - Ac Distribution Box Schematic

Dixie Narco 2145
98 pages
Print Icon
To Next Page IconTo Next Page
To Next Page IconTo Next Page
To Previous Page IconTo Previous Page
To Previous Page IconTo Previous Page
Loading...
Page 61
FIGURE 4 – AC DISTRIBUTION BOX SCHEMATIC

Table of Contents

Related product manuals