EasyManua.ls Logo

Eclipse UDC2500 Limit - Figure 2-9 Open Collector Output; Figure 2-10 RS-422;485 Communications Option Connections

Eclipse UDC2500 Limit
128 pages
Print Icon
To Next Page IconTo Next Page
To Next Page IconTo Next Page
To Previous Page IconTo Previous Page
To Previous Page IconTo Previous Page
Loading...
Installation
22 UDC2500 Universal Digital Limit ControllerProduct Manual 8/05
larm
Relay#1
L1
L2/N
4
5
7
8
9
N.C.
N.O.
Time Simplex
2
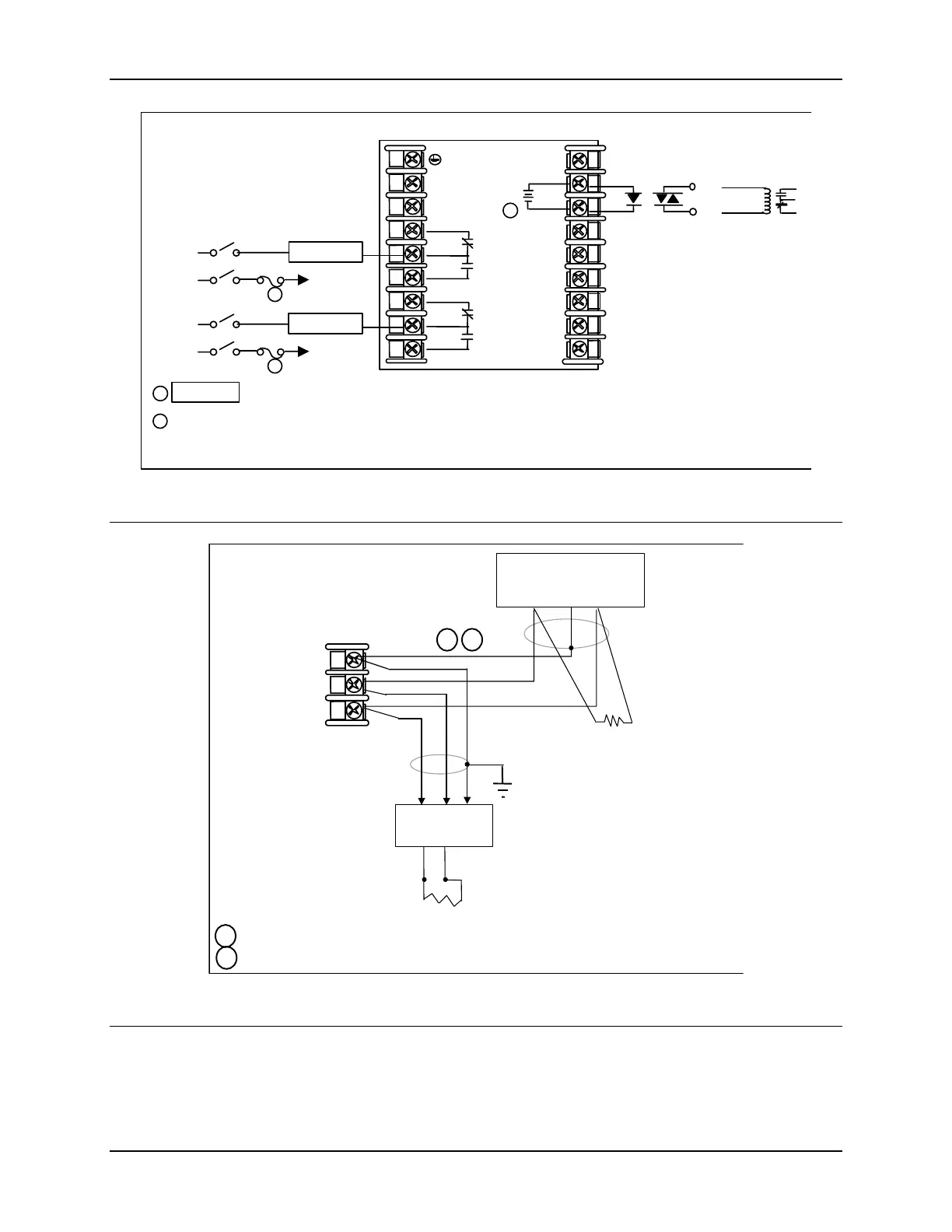
Electromechanical relays are rated at 5 Amps @120 Vac or 30 Vdc and 2.5 Amps at 240 Vac.
Customer should size fuses accordingly. Use Fast Blo fuses only.
xxxx
19
20
21
22
23
24
25
26
27
larm
Relay#2
N.C.
N.O.
6
+
+
Output #1
1
+
Customer Supplied
Electromechanical relay
Customer Supplied
Solid-State relay
CAUTION
Open collector outputs are internally powered at +30 Vdc. Connecting an external
power supply will damage the controller.
1
To terminal
4 or 6
Relay Load
To terminal
7 or 9
Relay Load
2
2
Load
Supply
Power
Load
Supply
Power
Figure 2-9 Open Collector Output
1
Do not run the communications lines in the same conduit as AC power.
D–
D+
COMMUNICATION MASTER
D+ (B)
SHLD D– (A)
120 OHMS
TO OTHER
COMMUNICATION
CONTROLLERS
D+D–
120 OHMS ON LAST LEG
16 SHLD
17 D+ (B)
18 D– (A)
Connect shield
to ground at one
end only.
SHLD
xxxx
2
Use shielded twisted pair cables (Belden 9271 Twinax or equivalent).
2
1
Figure 2-10 RS-422/485 Communications Option Connections

Table of Contents

Related product manuals