EasyManua.ls Logo

Engine distributors WSG-1068 - Page 126

Default Icon
331 pages
Print Icon
To Next Page IconTo Next Page
To Next Page IconTo Next Page
To Previous Page IconTo Previous Page
To Previous Page IconTo Previous Page
Loading...
110
WSG-1068 ENGINE
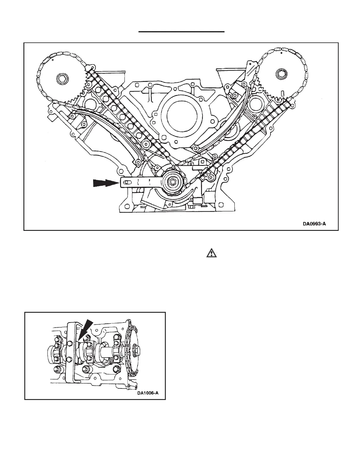
16.
CAUTION: Unless otherwise instructed, at
no time when the timing chains (6268) are
removed and the cylinder heads (6049) are
installed is the crankshaft or camshaft (6250) to
be rotated. Severe piston (6108) and valve
damage will occur.
Position the crankshaft with the Crankshaft Holding
Tool as shown.
17. Install the Camshaft Holding Tools on the
camshafts (2).

Table of Contents

Related product manuals