EasyManua.ls Logo

Engine distributors WSG-1068 - Page 288

Default Icon
331 pages
Print Icon
To Next Page IconTo Next Page
To Next Page IconTo Next Page
To Previous Page IconTo Previous Page
To Previous Page IconTo Previous Page
Loading...
272
WSG-1068 ENGINE CONTROLS
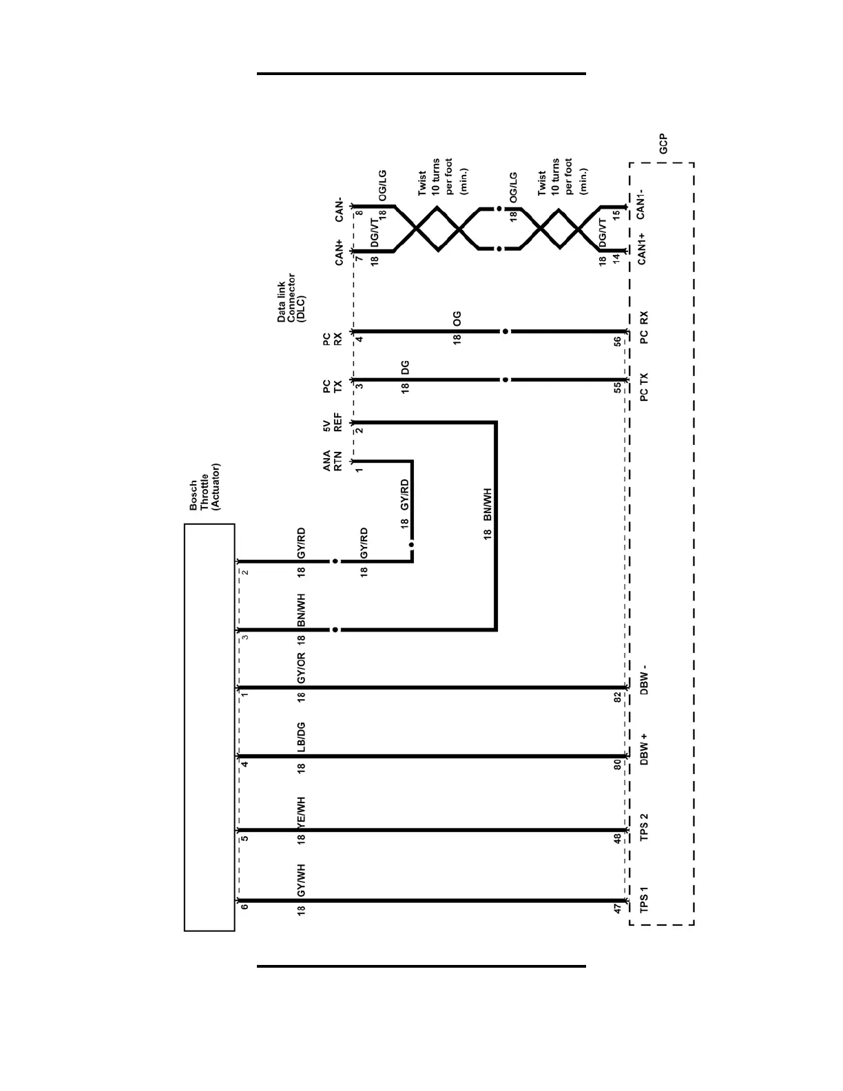
Engine Controls - Actuator / Data Link Connector (DLC)
WSG-1068 ENGINE CONTROLS

Table of Contents

Related product manuals