EasyManua.ls Logo

Engine distributors WSG-1068 - Page 49

Default Icon
331 pages
Print Icon
To Next Page IconTo Next Page
To Next Page IconTo Next Page
To Previous Page IconTo Previous Page
To Previous Page IconTo Previous Page
Loading...
33
WSG-1068 ENGINE
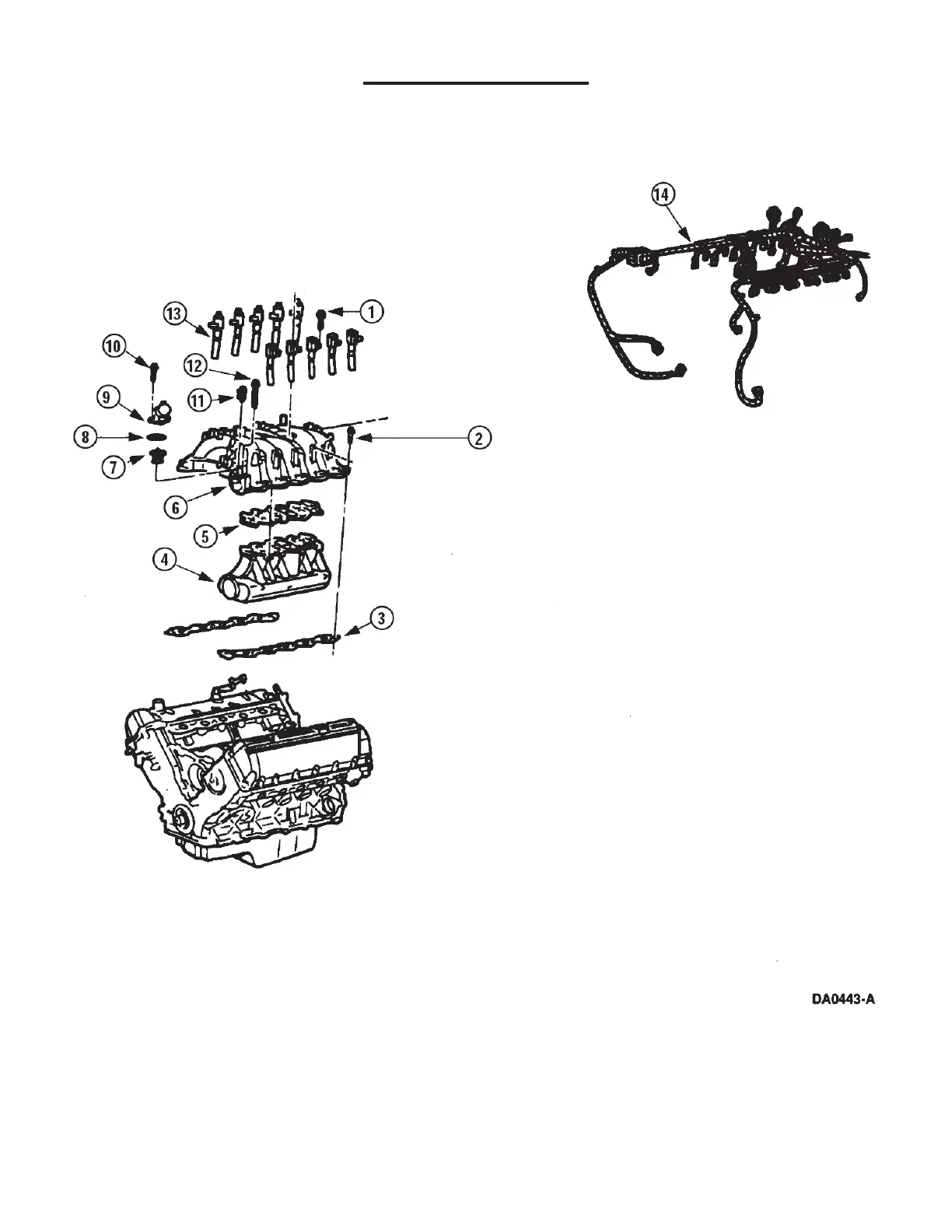
Engine Intake Components

Table of Contents

Related product manuals