EasyManua.ls Logo

Epson RC700-A

Epson RC700-A
228 pages
To Next Page IconTo Next Page
To Next Page IconTo Next Page
To Previous Page IconTo Previous Page
To Previous Page IconTo Previous Page
Loading...
Installation 2. Installation
42 RC700 Series Rev.3
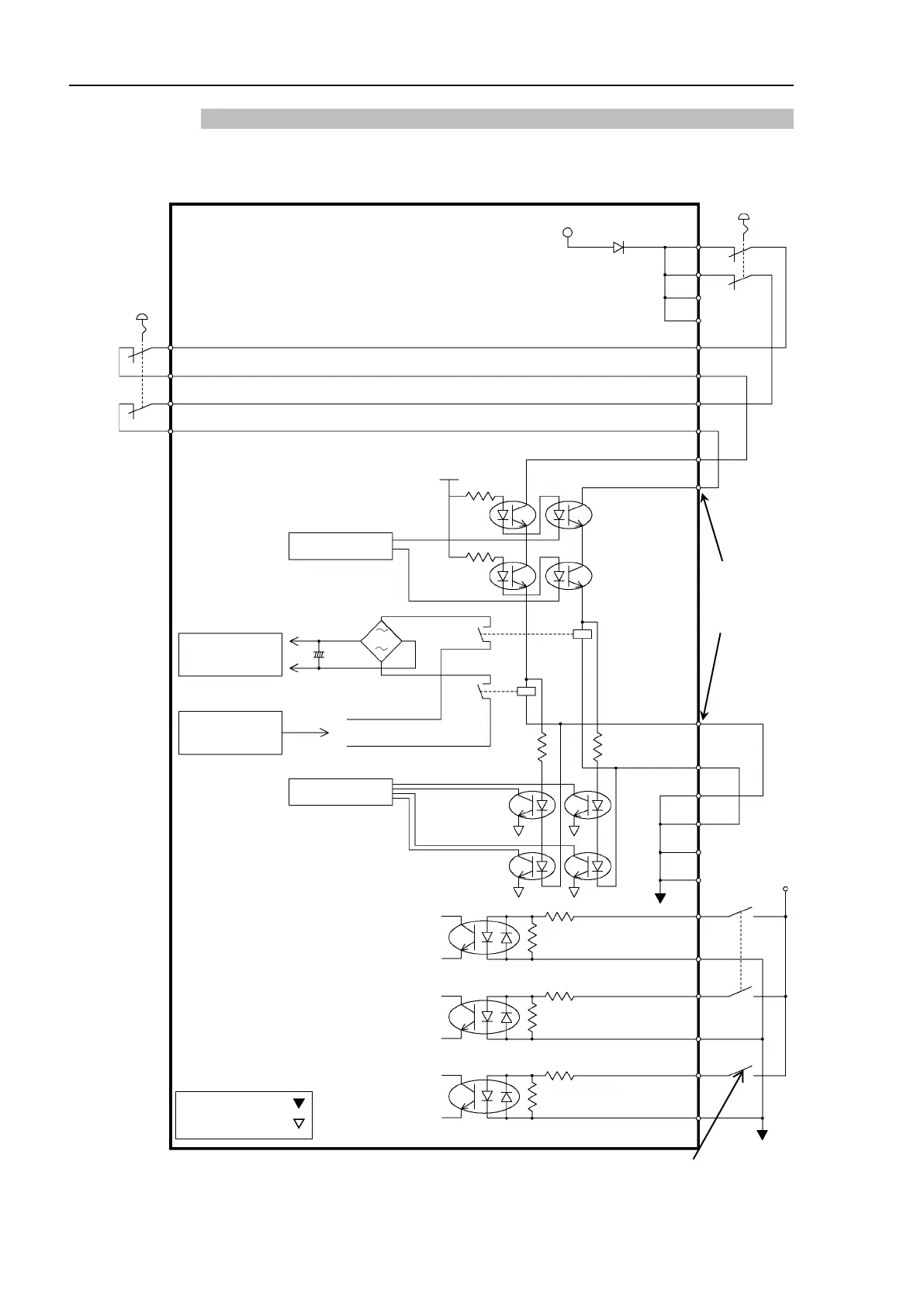
Circuit Diagrams Control unit
Example 1: External emergency stop switch t
ypical application
+24V
+5V
Safety Door input 1
External
+24V
Safety Door input 2
Latch release input
Latch release input
Close: Latch off
Open: Latch on
Main Circuit
Control
AC Input
Emergency
Stop detection
Emergency
Stop switch
of
an Operation
Unit (TP)
External
+24V
GND
9
10
22
23
1
2
14
15
3
16
4
17
11
12
24
25
7
8
20
21
18
19
External Emergency
Stop switches
Motor Driver
+
Controller
+
NOTE:+24V GND
+ 5V GND
ESTOP1+
ESTOP2+
ESTOP1
ESTOP2
Be careful of
the direction
of voltage
application

Table of Contents

Other manuals for Epson RC700-A

Related product manuals