EasyManua.ls Logo

ESAB EMP 215ic - System Schematic for CE Systems

ESAB EMP 215ic
102 pages
Print Icon
To Next Page IconTo Next Page
To Next Page IconTo Next Page
To Previous Page IconTo Previous Page
To Previous Page IconTo Previous Page
Loading...
ESAB EMS215IC/EMP215IC
5-6 POWER SUPPLY INTRODUCTION Manual 0463 413 001
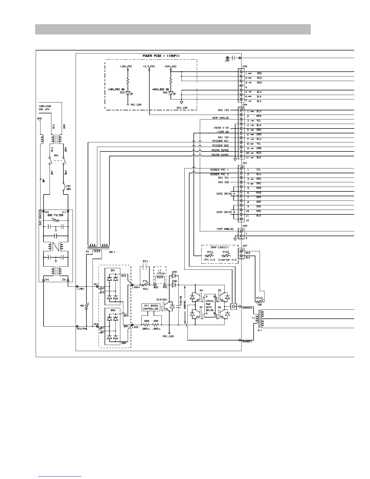
5.05 System Schematic for CE Systems
A-13146_AA
A-13146_AA

Table of Contents

Other manuals for ESAB EMP 215ic

Related product manuals