EasyManua.ls Logo

ESAB EMP 215ic - Appendix 3: Ce System Schematic, 115;230 V Units

ESAB EMP 215ic
102 pages
Print Icon
To Next Page IconTo Next Page
To Next Page IconTo Next Page
To Previous Page IconTo Previous Page
To Previous Page IconTo Previous Page
Loading...
ESAB EMS215IC/EMP215IC
A-4 APPENDIX Manual 0463 413 001
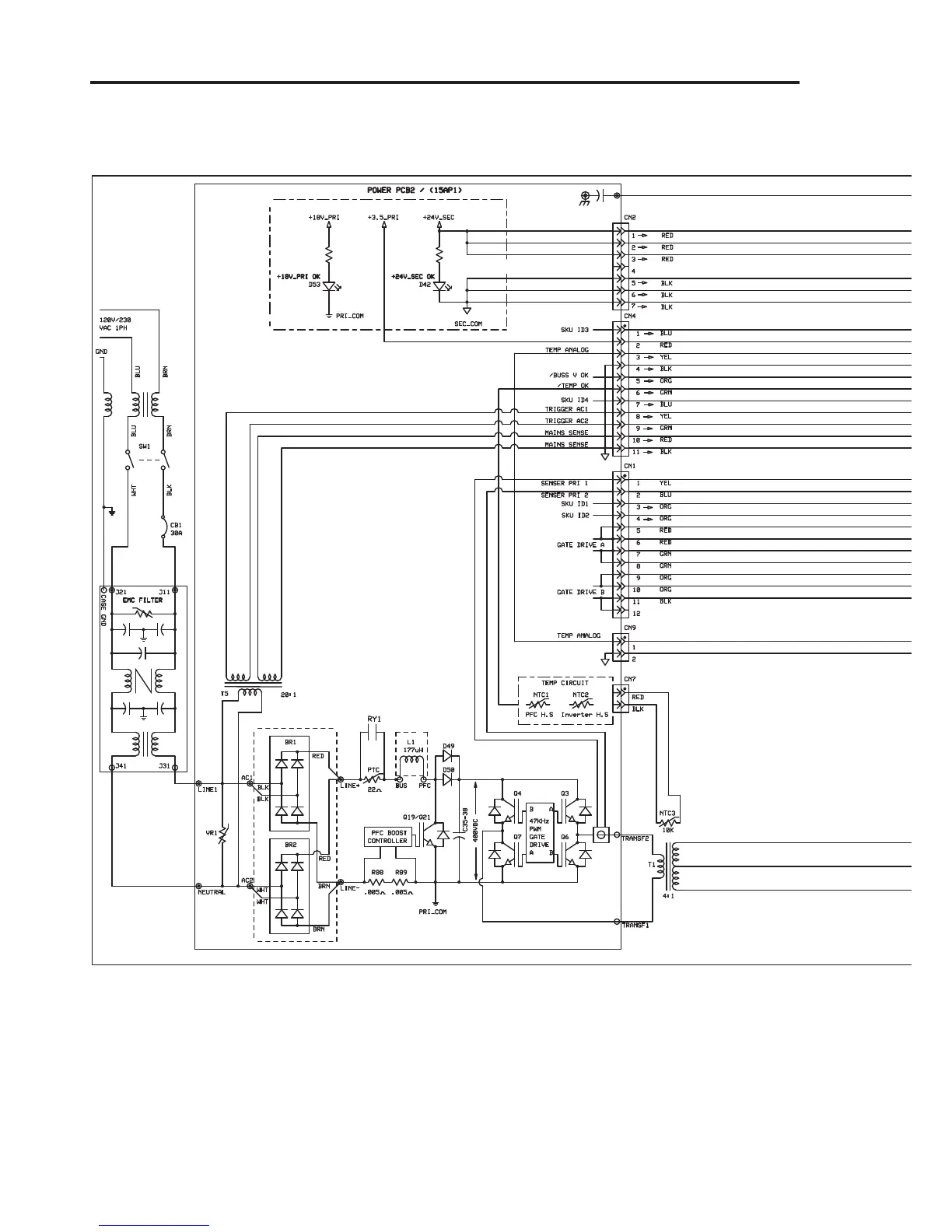
APPENDIX 3: CE SYSTEM SCHEMATIC, 115/230V UNITS
A-13146_AA
A-13146_AA

Table of Contents