EasyManua.ls Logo

ESAB EMP 215ic - Page 95

ESAB EMP 215ic
102 pages
Print Icon
To Next Page IconTo Next Page
To Next Page IconTo Next Page
To Previous Page IconTo Previous Page
To Previous Page IconTo Previous Page
Loading...
ESAB EMS215IC/EMP215IC
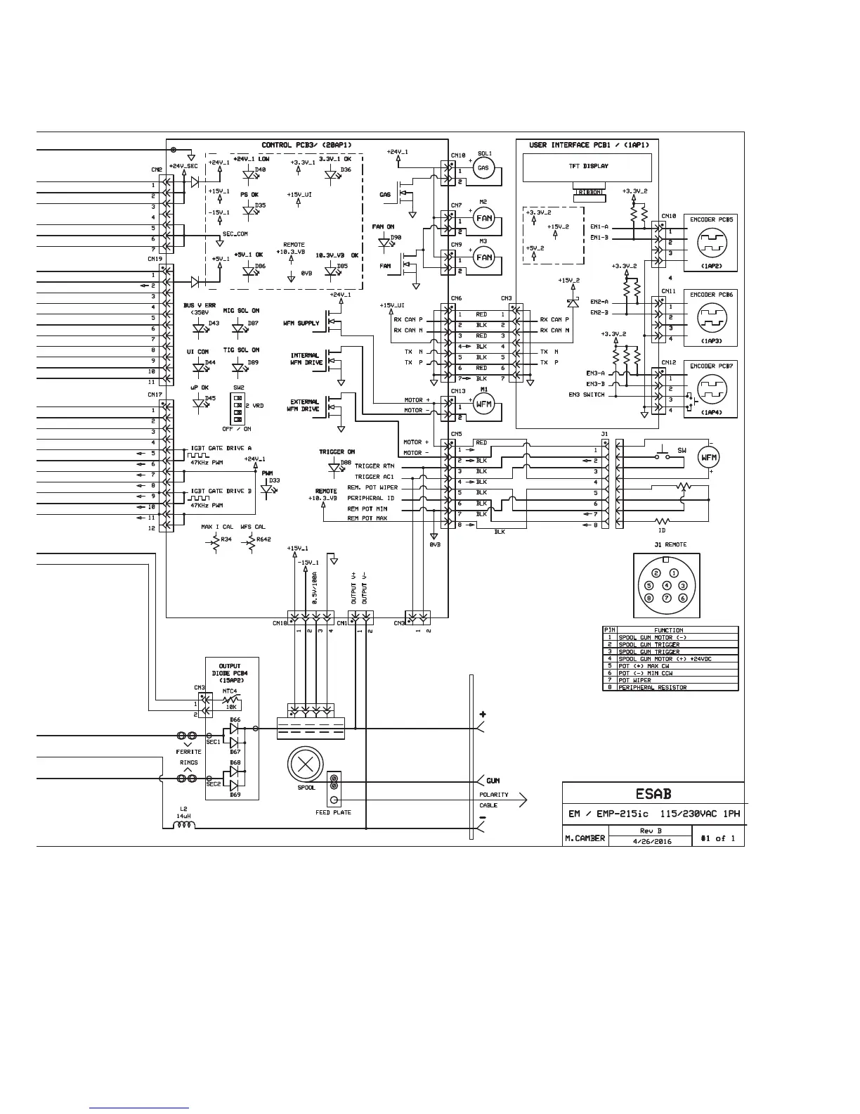
Manual 0463 413 001 APPENDIX A-3
A-12892_AA

Table of Contents