EasyManua.ls Logo

ESAB EMP 215ic - Page 97

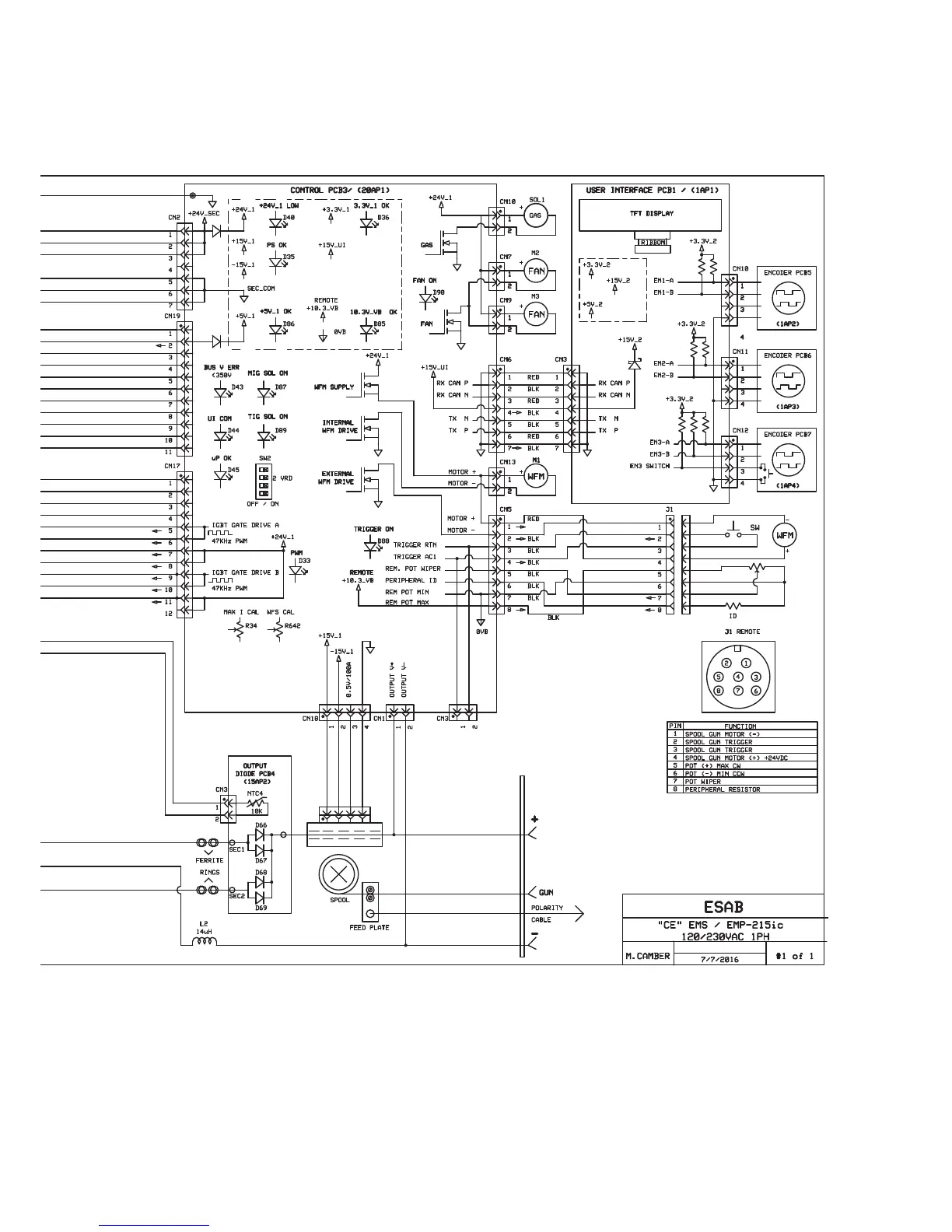
ESAB EMP 215ic
102 pages
Print Icon
To Next Page IconTo Next Page
To Next Page IconTo Next Page
To Previous Page IconTo Previous Page
To Previous Page IconTo Previous Page
Loading...
ESAB EMS215IC/EMP215IC
Manual 0463 413 001 APPENDIX A-5
A-13146_AA

Table of Contents