EasyManua.ls Logo

ESAB PCM-875A - Remote Arc Starter Schematic

ESAB PCM-875A
136 pages
Print Icon
To Next Page IconTo Next Page
To Next Page IconTo Next Page
To Previous Page IconTo Previous Page
To Previous Page IconTo Previous Page
Loading...
SECTION 6 PCM-875A Plasmarc System Troubleshooting
6-24
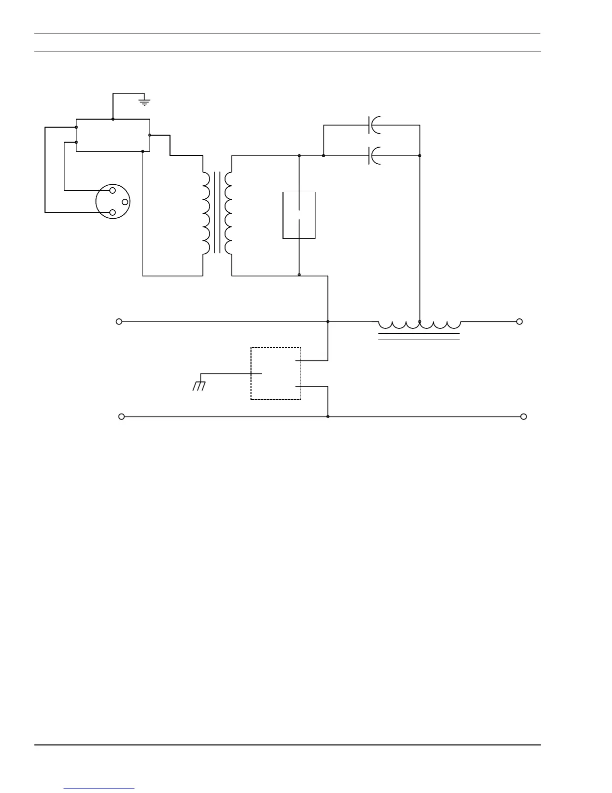
6.7 Remote Arc Starter (RAS-2) Schematic
REACTOR
STEP UP
C1, C2 2500 pF
SPARK GAP
C
B
A
POWER SUPPLY (-) TORCH (-)
FILTER
TRANSFORMER
0.040
PILOT ARC IN PILOT ARC TO TORCH
VAC
120
X1 X3
EMI
FILTER
L1
PCB1
P1
FN1
T1
SG1

Table of Contents