EasyManua.ls Logo

ESAB PCM-875A - Electrical Schematics and Diagrams

ESAB PCM-875A
136 pages
Print Icon
To Next Page IconTo Next Page
To Next Page IconTo Next Page
To Previous Page IconTo Previous Page
To Previous Page IconTo Previous Page
Loading...
SECTION 6 PCM-875A Plasmarc System Troubleshooting
6-12
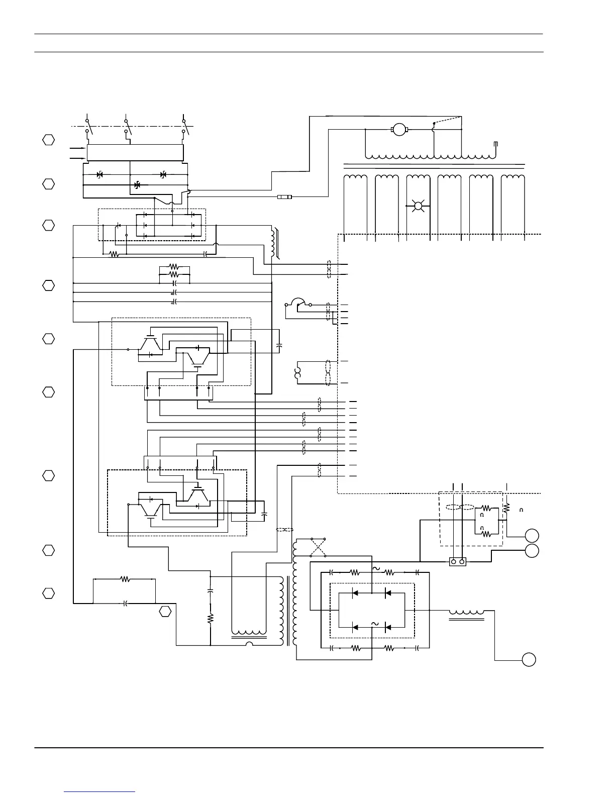
6.5 230V Power Console Electrical Drawings
6.5.1 230V Console Schematic Part 1
TB5-1
L
1
3
1
E2
P
C
B
3
P
C
B
2
9
2
1
40UF,400VDC
C4
39K,2W
R9
10
4
3
8
7
C2E1
Q
2
E1
G1
6
V
P1-4
V
P1-3
E1
V
P1-4
V
P1-3
C7 R5
R
6
C8
T
4
R7
10 OHM,50W
1
1
C10
0.022UF,1KV
2
H2
2
X1
T
1
H1
R4
20,25W
20,25W
(+)
R3
20,25W.01UF,1KV
2
1
C5
1
2
1
1
20,25W.01UF,1KV
2
1 1
3
D1
2
1
(-)
.01UF,1KV
2 2
1
C6
.01UF,1KV
2 21
H1
(PCB4)
S
H
2
230V
230V
G2
C1
E2
2
3
E2
1uf
600V
X2
X3
C16
P1-1
V
P1-2
V
P1-1
G2
V V
P1-2
(-)
P6-11
P6-10
208V
TB3
V
P1-8
(+)
4
RED
V V
P3-5
V V V V V
P1-7
P4-2
P4-4
P4-1
P4-5
V V V V
P3-2
P3-4
P3-1
275V
4
(+)
5
C2E1
Q
1
G1
C2
C1
R
1
0
10,50W
3
2
1
R
1
5
R
2
C3
I
B
R
(+)
G
R2
D6
D5
D4
R
S
AC3
AC2
M
O
V
3
275V
1
LOAD
LINE
2
A
A
BLK
T1
L1
M
O
V
2
B
B
275V
M
O
V
1
E
M
C
F
I
L
T
E
R
F
N
1
L2
RED
T2
50/60 HZ
3 PH CE
208/230 VAC
3A,600VAC
T
S
1
1UF,600V
3
2
C1
E2
1800UF,450VDC
1800UF,450VDC
600V
2
C15
1UF
1
1
2
3
10K,2W
R1
10K,25W
10K,25W
C
1
9
.22UF,1KV
D3T
D2
D1
(-)
AC1
L
2
X1
X2
2 1
P6-5
V
V V
P1-2
P1-1
MAX
V V V
P6-6
P6-12
P6-13
V V
P2-8
P2-7
C
C
L3
WHT
T3
S
1
F1
T2
H1
0
2
M
1
1
H2
P5-9
R12
(-)
8 ,300W
R11
8 ,300W
BLK
R16
2W
100K
V
(CONTROL BOARD)
P
C
B
1
400V
H4
H2
H3
TB5-2
230V
230V
208V
208V
V
V
P5-3
P5-4
12V
X2
X1
V
P1-9
V
P1-10
18V
X3
X4
V V
P2-11
P2-14
115V
1
2
X11
X12
V V
P1-6
P1-5
12V
X5
X6
V
P2-1
24V
V
P2-4
X8
X7
V V
P1-3
P1-4
20V
X9
X10
1
2
3

Table of Contents

Related product manuals