EasyManua.ls Logo

ESAB PCM-875A - Page 128

ESAB PCM-875A
136 pages
Print Icon
To Next Page IconTo Next Page
To Next Page IconTo Next Page
To Previous Page IconTo Previous Page
To Previous Page IconTo Previous Page
Loading...
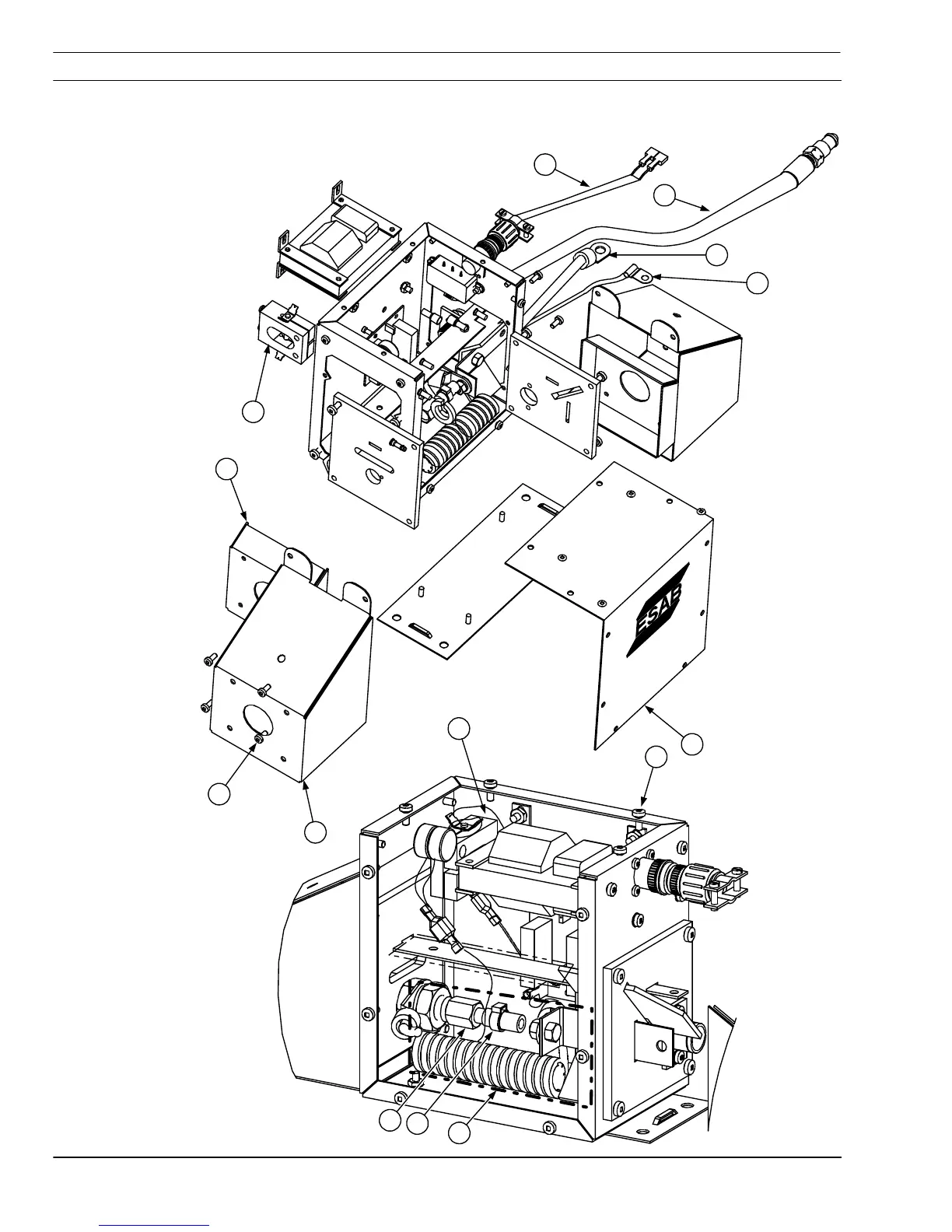
SECTION 7 Replacement Parts
7-20
Remote Arc Starter (RAS-2) (P/N 0558003670)
1
2
3
4
5
6
7
5
REF.
8
9
10
11
12
12

Table of Contents

Related product manuals