EasyManua.ls Logo

eschmann SES2000 - Appendix B; Schematic - Pipes and Valves

eschmann SES2000
46 pages
Print Icon
To Next Page IconTo Next Page
To Next Page IconTo Next Page
To Previous Page IconTo Previous Page
To Previous Page IconTo Previous Page
Loading...
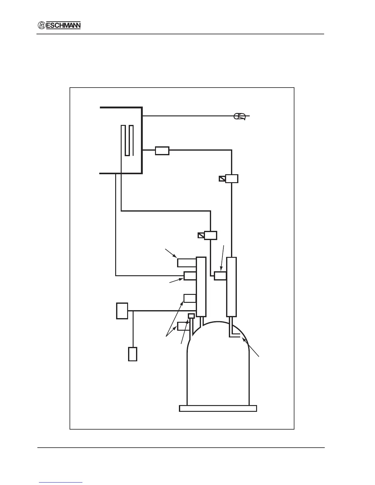
APPENDIX B - Schematic diagram - Pipework and valves
CHAMBER
PRESSURE
GAUGE
PRESSURE
DOOR LOCK
DOOR
AIR
VENT
DISCHARGE
VALVE
PRESSURE
RELIEF
VALVE
RESERVOIR
AIR VENT PIPE
FILL
VALVE
DISCHARGE
PIPE
DRAIN
HOSE
TAP
FILL
PIPE
GAUZE FILTER
FILTER BLOCK
MANIFOLD
STANDPIPE CONNECTION
FOR FILL AND DISCHARGE
CONDENSOR
NON-RETURN
VALVE LS3
ONLY
TEST
PORTS
TEST
PLUG
SES 2000 AUTOCLAVE Appendix B
ST-SM8l Page 41 of 43

Table of Contents

Related product manuals