EasyManua.ls Logo

eschmann SES2000 - Page 46

eschmann SES2000
46 pages
Print Icon
To Previous Page IconTo Previous Page
To Previous Page IconTo Previous Page
Loading...
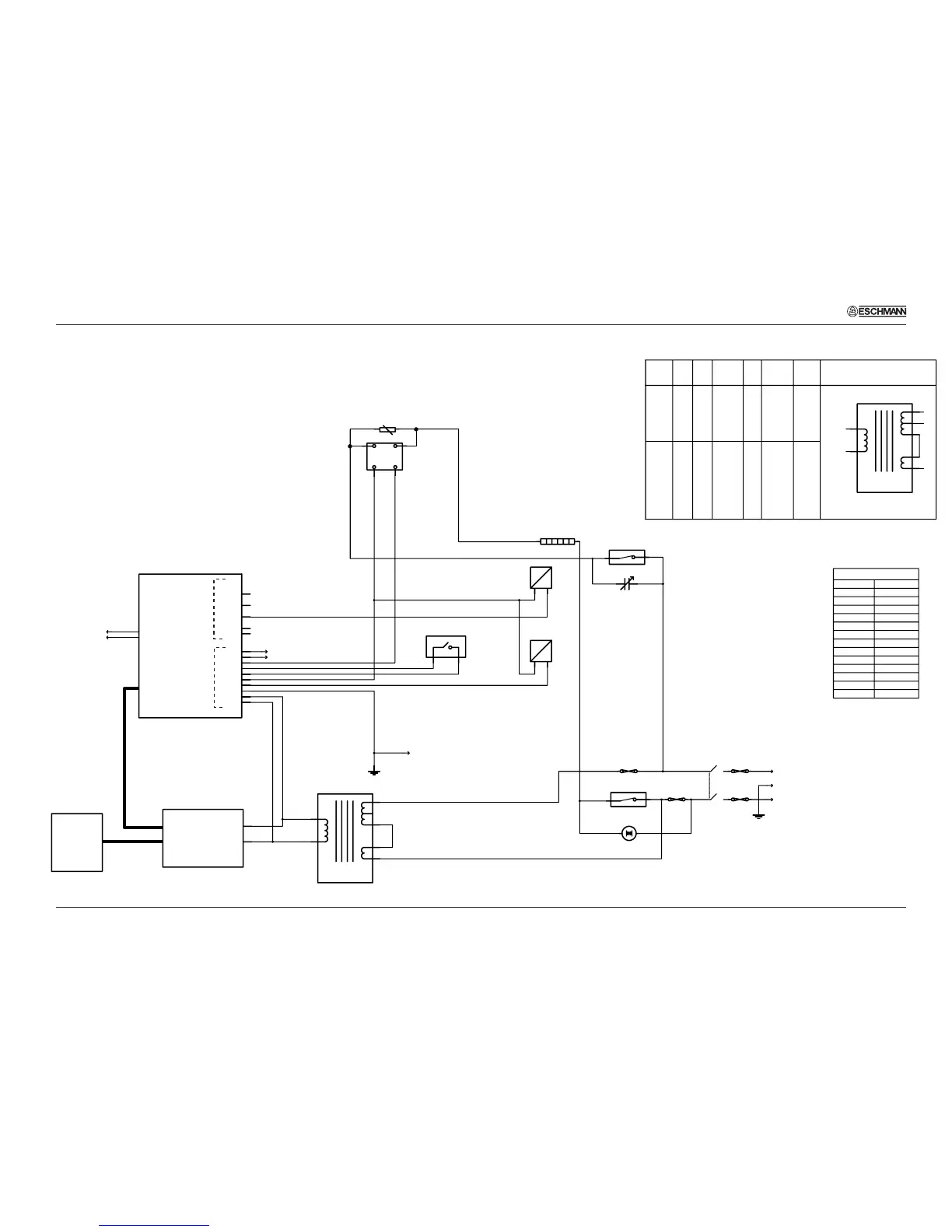
Appendix C SES 2000 AUTOCLAVE
APPENDIX C - Schematic diagram - non-CE version (see note page 38)
Page 43 of 43 ST-SM8l
Link BN
BE
Options chart
Transformer tappings
OE/BK
OE/BK
BE
STD
2kW
LONG
2.75kW
230V
100K
F400mA
F10AF10A
230V
230V
100K
F400mA
F15AF15A
230V
Heater
Overheat
neon
R1F3F2
Wire colours
Abbreviation Colour
Black
Brown
Red
Orange
Yellow
Green
Green/Yellow
Blue
Mauve
Grey
White
Pink
Red/Black
BK
BN
RD
OE
YW
GN
GN/YW
BE
ME
GY
WE
PK
RD/BK
F3
BN
F1
F2
L
E
N
Mains input
0V
Mains on/off
BE
BE
BE
BE
BE
Thermal
fuse
Cycling thermostat
Variable capacitor
Heater
Fill valve
Discharge
valve
Door switch
Central earth point
GN/YW
BN
BN
Mains
transformer
Printer Power PCA
490337
Printer
16 pin
ribbon cable
10 pin
ribbon cable
GY
PK
WE
ME
OE
GN
BK
BK
Chamber sensor
Temperature sensor
Temperature sensor
490335
PL2-10
PL2-9
PL2-8
PL2-7
PL2-6
PL2-5
PL2-4
PL2-3
PL2-2
PL2-1
PL1-10
PL1-9
PL1-8
PL1-7
PL1-6
PL1-5
PL1-4
PL1-3
PL1-2
PL1-1
YW
Varistor
1
2
3
4
S.S.Relay
Voltage
rating
F1
(Optional)
(Optional)
J6 Display
J5 Control
Daughter PCA
J3
J2
J1

Table of Contents

Related product manuals