EasyManua.ls Logo

Expert SmartTurn - Page 43

Expert SmartTurn
70 pages
Print Icon
To Next Page IconTo Next Page
To Next Page IconTo Next Page
To Previous Page IconTo Previous Page
To Previous Page IconTo Previous Page
Loading...
Turntable control SmartTurn
Installation and commissioning
Dok-ID:EXPERT-0003-EN-2011 43
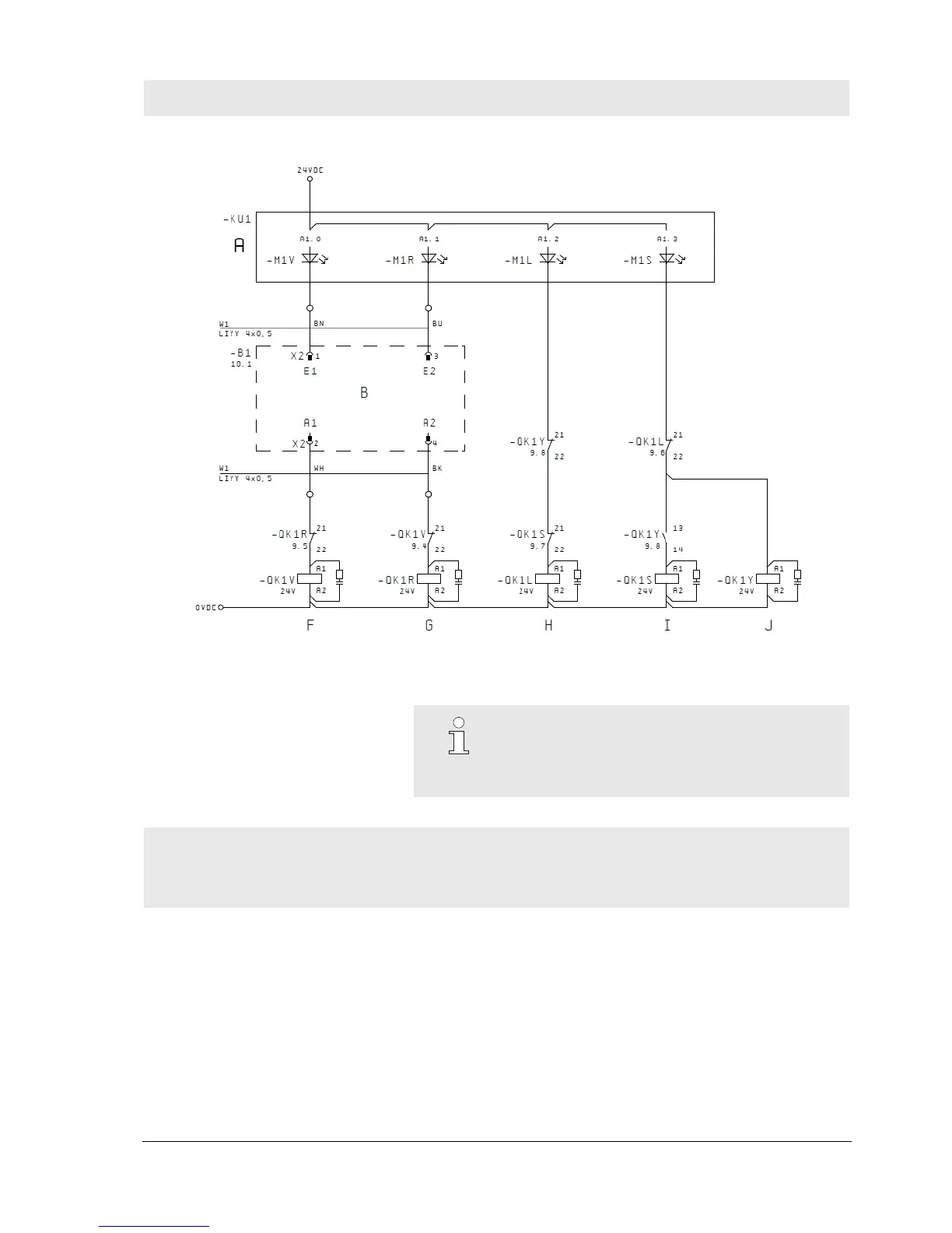
Example Fig. 17 Direct activation of the power contactors
NOTE!
Direct activation of the power contactors is only
permitted if safety functions in accordance with DIN
EN ISO 13849-1 are not necessary.
A: PLC
B: SmartTurn
F: "Turntable forward"
G: "Turntable backward"
H: "Turntable slow"
I: "Turntable fast"
J: "Turntable fast star (wye) contactor"

Table of Contents