EasyManua.ls Logo

Fike 10-071 - Class a & Class X SLC Wiring

Fike 10-071
76 pages
Print Icon
To Next Page IconTo Next Page
To Next Page IconTo Next Page
To Previous Page IconTo Previous Page
To Previous Page IconTo Previous Page
Loading...
4.0 INSTALLATION
4-16 Cheetah Xi 50 Installation Manual UL S2203
Rev 6, 09/2015 P/N: 06-369 FM
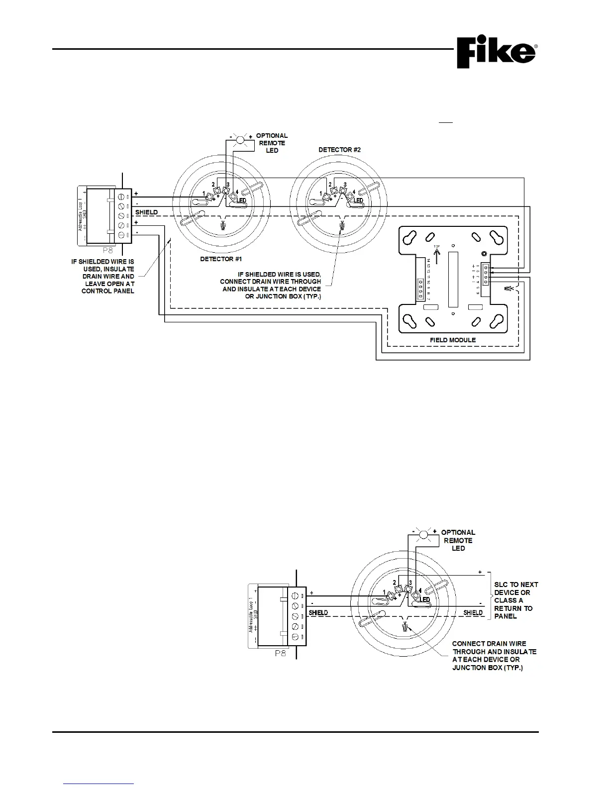
4.13.6.2 CLASS A OR CLASS X WIRING
Exhibit 4-19 shows typical wiring of a supervised and power-limited four-wire SLC that meets NFPA 72, Class
A or Class X requirements. This wiring method includes a redundant path. In the event of a single wire
break, the communication to devices after the break continues. This wiring method will not support t-tapping
4.13.6.3 CLASS X WIRING
Class X wiring is the same as Class A wiring except that it utilizes isolator devices to provide short-circuit
protection for the signaling line circuit (SLC). The circuitry built-into the isolator devices allow communication
to devices to continue past a single short-circuit. Short circuit protection can be provided for the entire
signaling line circuit or for selected sections of the signaling line circuit. Isolator devices can be installed to
electrically isolate a zone of detectors and/or modules from the remainder of the loop by installing an isolator
type device at the point where the SLC enters and leaves the zone. A maximum of 50 devices can be
installed between two isolator type devices.
Note: If using isolator bases, the loop + is separated between terminal 1 (in) and terminal 2 (out).
4.13.6.4 REMOTE LED WIRING
The detector base has the ability to
attach a remote LED as shown in
Exhibit 4-20. Power for operation of
the LED is drawn from the control
panel’s addressable loop. The
addressable loop is limited to a
maximum of 100 mA total for
addressable devices plus remote LED
devices.
Exhibit 4-19: Class A and Class X SLC Wiring
Exhibit 4-20: Remote LED Wiring

Table of Contents

Related product manuals