EasyManua.ls Logo

flamco Flamcomat - Sample Installation Diagram

flamco Flamcomat
62 pages
Print Icon
To Next Page IconTo Next Page
To Next Page IconTo Next Page
To Previous Page IconTo Previous Page
To Previous Page IconTo Previous Page
Loading...
TemplateA4_v20130506
14
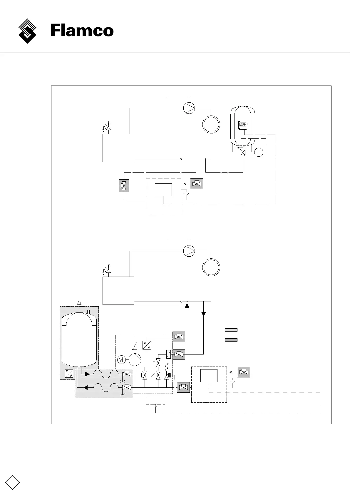
1.3 Sample installation diagram
M -K
L
F la m c o -F I L L P
DN *
F la m c o -F I L L P
*
**
Supply temperature <105°C(STB<110°C)
Supply temperature <105°C(STB<110°C)
Example of level-
controlledllingwitha
Flamco-Fill P on a
Flexcon MK
Example of
level-controlled
llingwitha
Flamco-Fill P on a
Flexcon MK
Please note: If the
return line is routed horizontally, implement the
connectionfromabove(notfrombelow)toavoid
additional contamination
.
To be provided by the customer: System inlet,
system outlet,
llinginlet,componentcouplings.
Control unit
PLC
Terminal(8,9);33,34;18,19,20asperPLC
Filling water inlet
Coupling assembly *
Basic vessel*
System supply
side
System supply
side
Control module Flamcomat *
Cap valve**
Cap valve**
Scope of supply, standard.
Accessories
Compressor
pressure maintenance
unit with
PLC control
Heater
Heater
Terminal
box
Terminal
box
Filling water inlet
Terminal(8,9);33,34;18,19,20asperPLC
Hot leg
Hot leg
Cold leg
Cold leg

Table of Contents

Related product manuals